家电论坛

广告合作
 注册  找回密码

QQ登录

只需一步,快速开始

手机号码,快捷登录

手机号码,快捷登录

楼主: shgg

[其它] 当山寨设计师碰到资深设计师(答案揭晓,看37楼和63楼)

  [复制链接]

15

主题

1622

帖子

17

威望

高级会员

Rank: 4Rank: 4Rank: 4Rank: 4

交易诚信度
0
注册时间
2010-1-20
发表于 2012-10-16 11:05 | 显示全部楼层
lyptj 发表于 2012-10-16 10:46
我以前给我的飞利浦CD950更换过进口+-1PPM的四脚有源晶振,当时花了我800多元,摩机后的效果也没多大提升 ...

就是,单贴个铜片有毛用(可能也稍有一点屏蔽作用),贴的铜片接地才是正道。
顶下同是60后的LZ[s:20]
回复 支持 反对

使用道具 举报

22

主题

2223

帖子

22

威望

高级会员

Rank: 4Rank: 4Rank: 4Rank: 4

交易诚信度
10
注册时间
2005-5-31
发表于 2012-10-16 11:24 | 显示全部楼层
微风飘渺 发表于 2012-10-16 11:05
就是,单贴个铜片有毛用(可能也稍有一点屏蔽作用),贴的铜片接地才是正道。
顶下同是60后的LZ

我是70后的[s:97]
回复 支持 反对

使用道具 举报

15

主题

1622

帖子

17

威望

高级会员

Rank: 4Rank: 4Rank: 4Rank: 4

交易诚信度
0
注册时间
2010-1-20
发表于 2012-10-16 11:49 | 显示全部楼层
lyptj 发表于 2012-10-16 11:24
我是70后的

同意老兄的观点
顶的是60后技术派LZ的帖子[s:97]
回复 支持 反对

使用道具 举报

3

主题

509

帖子

0

威望

初级会员

Rank: 2Rank: 2

交易诚信度
0
注册时间
2008-8-21
发表于 2012-10-16 11:56 来自家电论坛网手机触屏版 | 显示全部楼层
发烧盗版 发表于 2012-10-15 15:43
千元的机器摩过后要打败七千的还是很困难的,不是换上好的电容好的变压器好的解码、运放、晶振芯片那么简单 ...

你不是用Yba副牌吗?Yba级别肯定在你之上…yba 以前老顶级Cd1用的是CeC880摩改的…Cec880现在最多卖几百…二手Yba还卖几万…人家不就是加电源换电容改模拟输出
音联邦
回复 支持 反对

使用道具 举报

654

主题

2万

帖子

404

威望

版主

Rank: 10

优秀斑竹奖积极参与奖

交易诚信度
0
注册时间
2010-6-3
QQ
发表于 2012-10-16 12:10 | 显示全部楼层
BMWZ4 发表于 2012-10-16 11:56
你不是用Yba副牌吗?Yba级别肯定在你之上…yba 以前老顶级Cd1用的是CeC880摩改的…Cec880现在最多卖几百… ...

我沒用過YBA副牌的CD機,現在用的是意大利雅樂“大師”CD機,以前用過馬蘭士15S1和S2,四月份用音樂之旅ECC-1,八月底升級雅樂。倒是正用YBA副牌的前後級,同價位的功放里性價比很高啊,目前非常滿意
香港弦声音响
回复 支持 反对

使用道具 举报

654

主题

2万

帖子

404

威望

版主

Rank: 10

优秀斑竹奖积极参与奖

交易诚信度
0
注册时间
2010-6-3
QQ
发表于 2012-10-16 12:13 | 显示全部楼层
shgg 发表于 2012-10-16 08:38
看了内部图,设计得非常不错。对audio  analogue这个厂家很喜欢。修过他家的唐尼采蒂单声道后级,就是用超 ...

我現在這第二代的我看過音響雜誌的內部圖,運放好像已經沒有那個直插的轉換版了,不過,圖不是很大,看得也不是很清楚
回复 支持 反对

使用道具 举报

47

主题

1324

帖子

38

威望

高级会员

Rank: 4Rank: 4Rank: 4Rank: 4

交易诚信度
10
注册时间
2005-3-14
 楼主| 发表于 2012-10-16 23:17 | 显示全部楼层
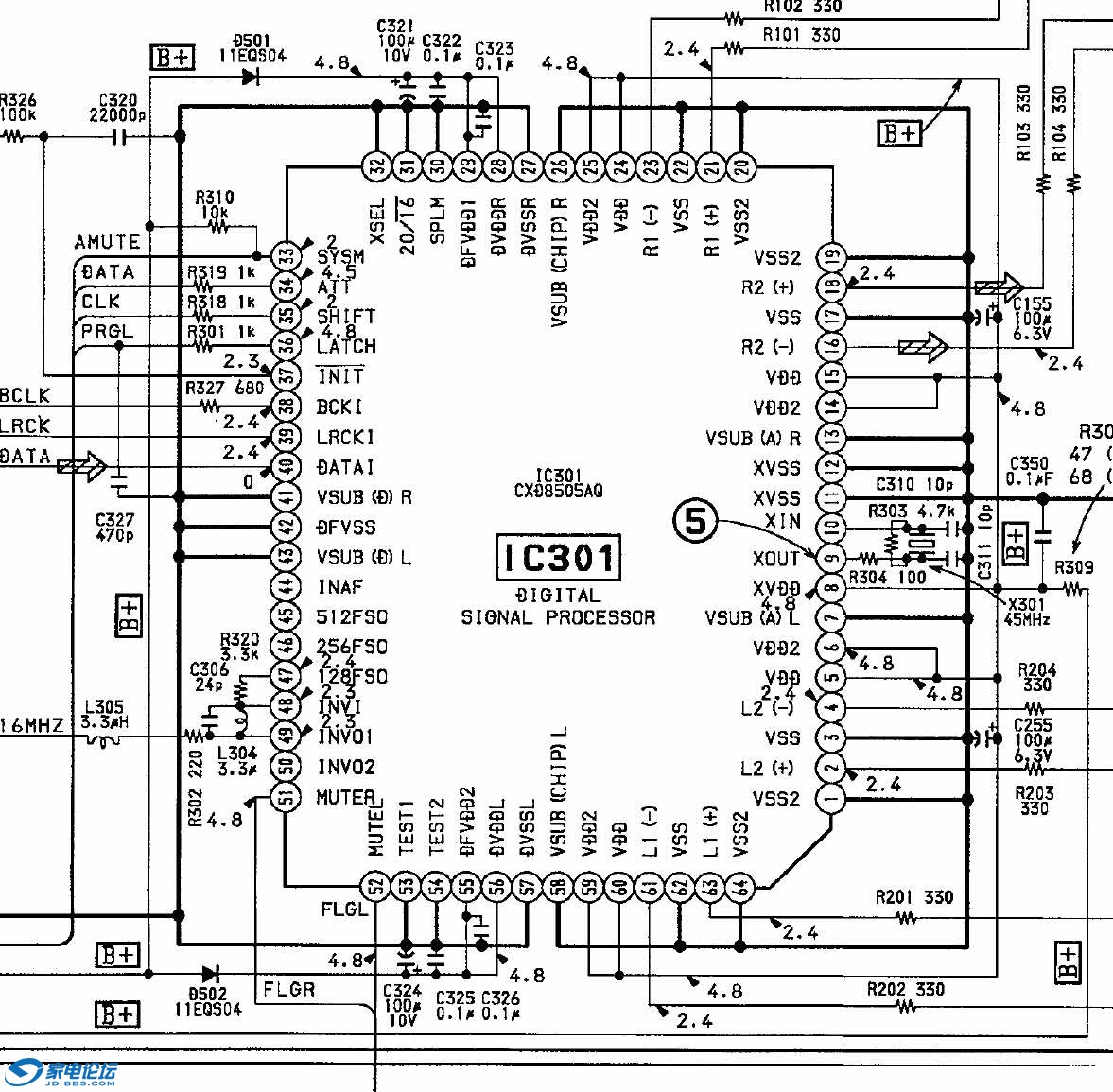
答案来了,上一个sony另一个型号的cd唱机,也是用同款解码芯片的,设计正确的解码图片。大家两厢对比。就一目了然了,呵呵。



es2.jpg
回复 支持 反对

使用道具 举报

47

主题

1324

帖子

38

威望

高级会员

Rank: 4Rank: 4Rank: 4Rank: 4

交易诚信度
10
注册时间
2005-3-14
 楼主| 发表于 2012-10-16 23:19 | 显示全部楼层
hongyingdang 发表于 2012-10-15 21:03
上海哥哥懂技术,人又热情

谢谢您的夸奖。
回复 支持 反对

使用道具 举报

47

主题

1324

帖子

38

威望

高级会员

Rank: 4Rank: 4Rank: 4Rank: 4

交易诚信度
10
注册时间
2005-3-14
 楼主| 发表于 2012-10-16 23:20 | 显示全部楼层
mozart08 发表于 2012-10-15 23:21
数码电路不懂,支持一下摩改

感谢支持。
回复 支持 反对

使用道具 举报

47

主题

1324

帖子

38

威望

高级会员

Rank: 4Rank: 4Rank: 4Rank: 4

交易诚信度
10
注册时间
2005-3-14
 楼主| 发表于 2012-10-16 23:21 | 显示全部楼层
yddy1 发表于 2012-10-16 00:44
把晶振改为24.576Mhz或22.5792Mhz。

改晶振会降低原机器性能。
回复 支持 反对

使用道具 举报

47

主题

1324

帖子

38

威望

高级会员

Rank: 4Rank: 4Rank: 4Rank: 4

交易诚信度
10
注册时间
2005-3-14
 楼主| 发表于 2012-10-16 23:23 | 显示全部楼层
dalplex 发表于 2012-10-16 08:08
这个电路我也研究过。

45.2M是44.1KHz的1024倍。不能随便改。

同意,45兆不能改。不过这样高的频率,设计就很有讲究啦。
回复 支持 反对

使用道具 举报

47

主题

1324

帖子

38

威望

高级会员

Rank: 4Rank: 4Rank: 4Rank: 4

交易诚信度
10
注册时间
2005-3-14
 楼主| 发表于 2012-10-16 23:24 | 显示全部楼层
laoniutou 发表于 2012-10-16 08:26
数码电路不懂,支持顶一下

感谢支持。
回复 支持 反对

使用道具 举报

47

主题

1324

帖子

38

威望

高级会员

Rank: 4Rank: 4Rank: 4Rank: 4

交易诚信度
10
注册时间
2005-3-14
 楼主| 发表于 2012-10-16 23:25 | 显示全部楼层
lyptj 发表于 2012-10-16 10:46
我以前给我的飞利浦CD950更换过进口+-1PPM的四脚有源晶振,当时花了我800多元,摩机后的效果也没多大提升 ...

哈哈实践出真知。
回复 支持 反对

使用道具 举报

12

主题

360

帖子

0

威望

初级会员

Rank: 2Rank: 2

交易诚信度
0
注册时间
2010-10-4
发表于 2012-10-17 07:57 | 显示全部楼层
请进一步点破区别是?

回复 支持 反对

使用道具 举报

265

主题

2万

帖子

88

威望

超级会员

Rank: 6Rank: 6Rank: 6Rank: 6Rank: 6Rank: 6

交易诚信度
58
注册时间
2001-11-21
发表于 2012-10-17 08:15 | 显示全部楼层
楼主的电路知识很丰富,我想请教下
点烟器不过是连接在汽车蓄电池上,连行车电脑都不用过,这个东西怎么节能减排,提升动力。
我站在烈烈风中
恨不能荡尽绵绵心痛
望苍天
四方云动
剑在手
问天下谁是英雄
回复 支持 反对

使用道具 举报

您需要登录后才可以回帖 登录 | 注册

本版积分规则

Archiver|手机版|手机版|客服:010-60152166 邮箱:zx@jd-bbs.com QQ:895456697|广告合作|账号注销|家电联盟网

京公网安备 11010602010207号 ( 京ICP证041102号,京ICP备09075138号-9 )

GMT+8, 2026-4-7 06:53 , Processed in 0.170852 second(s), 25 queries , Gzip On.

快速回复 返回顶部 返回列表