家电论坛

广告合作
 注册  找回密码

QQ登录

只需一步,快速开始

手机号码,快捷登录

手机号码,快捷登录

查看: 1645|回复: 10

[磁带随身听] 收音机

[复制链接]

406

主题

2687

帖子

0

威望

中级会员

Rank: 3Rank: 3Rank: 3

交易诚信度
0
注册时间
2020-5-7
发表于 2023-9-1 08:48 | 显示全部楼层 |阅读模式

马上注册 家电论坛,众多有奖活动等你来参与!

您需要 登录 才可以下载或查看,没有账号?注册

x
1.R-9700DX,换了根短天线,工作正常,50元,不包邮.
2。要求高的请绕道。
3.只发德邦快递
4.发货前,有不明之处,请微信详细了解

DSC_0001.JPG
DSC_0002.JPG
回复

使用道具 举报

406

主题

2687

帖子

0

威望

中级会员

Rank: 3Rank: 3Rank: 3

交易诚信度
0
注册时间
2020-5-7
 楼主| 发表于 2023-9-1 08:50 | 显示全部楼层
2.SRF-49,工作正常,72元/2个,不包邮.
DSC_0003.JPG
DSC_0004.JPG
DSC_0005.JPG
回复 支持 反对

使用道具 举报

32

主题

2360

帖子

5

威望

中级会员

Rank: 3Rank: 3Rank: 3

交易诚信度
1
注册时间
2009-3-26
发表于 2023-9-1 11:10 | 显示全部楼层
49的音质什么水平

点评

朋友可以磨电容吗  详情 回复 发表于 2023-9-10 10:21
49可以按照S53磨磨电容,能达到9成音质  发表于 2023-9-9 18:10
一斑吧  详情 回复 发表于 2023-9-1 15:04
回复 支持 反对

使用道具 举报

406

主题

2687

帖子

0

威望

中级会员

Rank: 3Rank: 3Rank: 3

交易诚信度
0
注册时间
2020-5-7
 楼主| 发表于 2023-9-1 15:04 | 显示全部楼层
爱你2068 发表于 2023-9-1 11:10
49的音质什么水平

一斑吧
回复 支持 反对

使用道具 举报

406

主题

2687

帖子

0

威望

中级会员

Rank: 3Rank: 3Rank: 3

交易诚信度
0
注册时间
2020-5-7
 楼主| 发表于 2023-9-8 09:48 | 显示全部楼层
香港弦声音响
回复

使用道具 举报

32

主题

2360

帖子

5

威望

中级会员

Rank: 3Rank: 3Rank: 3

交易诚信度
1
注册时间
2009-3-26
发表于 2023-9-10 10:21 | 显示全部楼层
爱你2068 发表于 2023-9-1 11:10
49的音质什么水平

朋友可以磨电容吗

点评

你看一下电路图,应该可以.  详情 回复 发表于 2023-9-10 18:06
回复 支持 反对

使用道具 举报

406

主题

2687

帖子

0

威望

中级会员

Rank: 3Rank: 3Rank: 3

交易诚信度
0
注册时间
2020-5-7
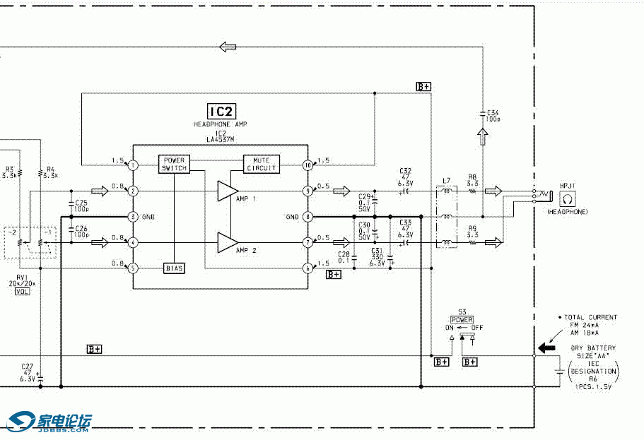
 楼主| 发表于 2023-9-10 18:06 | 显示全部楼层
爱你2068 发表于 2023-9-10 10:21
朋友可以磨电容吗

你看一下电路图,应该可以.
schem_L.GIF
schem_R.GIF
回复 支持 反对

使用道具 举报

32

主题

2360

帖子

5

威望

中级会员

Rank: 3Rank: 3Rank: 3

交易诚信度
1
注册时间
2009-3-26
发表于 2023-9-10 21:35 | 显示全部楼层
没有动手能力,你可以吗

点评

这个只能你们自己来,因为各人的听感不一样,  详情 回复 发表于 2023-9-11 08:37
回复 支持 反对

使用道具 举报

406

主题

2687

帖子

0

威望

中级会员

Rank: 3Rank: 3Rank: 3

交易诚信度
0
注册时间
2020-5-7
 楼主| 发表于 2023-9-11 08:37 | 显示全部楼层
爱你2068 发表于 2023-9-10 21:35
没有动手能力,你可以吗

这个只能你们自己来,因为各人的听感不一样,
回复 支持 反对

使用道具 举报

您需要登录后才可以回帖 登录 | 注册

本版积分规则

Archiver|手机版|手机版|客服:010-60152166 邮箱:zx@jd-bbs.com QQ:895456697|广告合作|账号注销|家电联盟网

京公网安备 11010602010207号 ( 京ICP证041102号,京ICP备09075138号-9 )

GMT+8, 2026-4-7 06:08 , Processed in 0.112773 second(s), 32 queries , Gzip On.

快速回复 返回顶部 返回列表