家电论坛

广告合作
 注册  找回密码

QQ登录

只需一步,快速开始

手机号码,快捷登录

手机号码,快捷登录

楼主: 秦皇岛小张

[磁带随身听] 十分钟赚了150块钱——维修d6c录音只有一个声道

  [复制链接]

36

主题

2901

帖子

8

威望

中级会员

Rank: 3Rank: 3Rank: 3

交易诚信度
0
注册时间
2019-6-25
发表于 2023-1-7 10:19 | 显示全部楼层
秦皇岛小张 发表于 2023-1-6 18:51
焊一下1块钱,知道焊哪里100块钱

你这回复涉嫌抄袭《读者》上的故事哦

点评

读者成就了一批人,也害了一批人  详情 回复 发表于 2023-1-7 11:09
回复 支持 反对

使用道具 举报

599

主题

1万

帖子

8

威望

高级会员

Rank: 4Rank: 4Rank: 4Rank: 4

交易诚信度
1
注册时间
2016-2-6
QQ
 楼主| 发表于 2023-1-7 11:08 来自家电论坛网手机触屏版 | 显示全部楼层
glay 发表于 2023-1-7 08:38
佩服佩服!喜欢张大师的分享维修技术贴

客气啦,这次的比较简单,没啥技术含量。
前些天修的那台才叫一个曲折,头发一大把一大把的掉啊。
我的QQ:147972897 欢迎各位坛友指教
回复 支持 反对

使用道具 举报

599

主题

1万

帖子

8

威望

高级会员

Rank: 4Rank: 4Rank: 4Rank: 4

交易诚信度
1
注册时间
2016-2-6
QQ
 楼主| 发表于 2023-1-7 11:09 来自家电论坛网手机触屏版 | 显示全部楼层
小烧即止 发表于 2023-1-7 10:11
高手,

坛子里高手众多,我不过菜鸟罢了
我的QQ:147972897 欢迎各位坛友指教
回复 支持 反对

使用道具 举报

599

主题

1万

帖子

8

威望

高级会员

Rank: 4Rank: 4Rank: 4Rank: 4

交易诚信度
1
注册时间
2016-2-6
QQ
 楼主| 发表于 2023-1-7 11:09 来自家电论坛网手机触屏版 | 显示全部楼层
我就是爱音乐 发表于 2023-1-7 10:19
你这回复涉嫌抄袭《读者》上的故事哦

读者成就了一批人,也害了一批人
我的QQ:147972897 欢迎各位坛友指教
回复 支持 反对

使用道具 举报

43

主题

7264

帖子

25

威望

特级会员

Rank: 5Rank: 5Rank: 5Rank: 5Rank: 5

交易诚信度
18
注册时间
2011-11-23
发表于 2023-1-7 14:00 | 显示全部楼层
张老师V587
QQ: ⑧④③⑦⑦⑧
香港弦声音响
回复 支持 反对

使用道具 举报

10

主题

438

帖子

1

威望

初级会员

Rank: 2Rank: 2

交易诚信度
0
注册时间
2012-12-17
QQ
发表于 2023-1-7 14:54 | 显示全部楼层
就是好经验的电路知识高手
回复 支持 反对

使用道具 举报

7

主题

370

帖子

0

威望

初级会员

Rank: 2Rank: 2

交易诚信度
0
注册时间
2021-5-29
发表于 2023-1-7 18:30 来自家电论坛网手机触屏版 | 显示全部楼层
感谢分享!
又学到经验了,不过过后又忘记了。
回复 支持 反对

使用道具 举报

1

主题

71

帖子

0

威望

新手上路

Rank: 1

交易诚信度
0
注册时间
2015-12-8
发表于 2023-2-25 22:55 | 显示全部楼层
大佬你好,我的机器故障就跟您说的第一种一样,监听都有声音,录的时候左声道没声音,这问题该查哪里,希望大佬不吝赐教。

点评

[attachimg]10362577[/attachimg]感谢坛友。 您描述的问题,我分析,可能是放大电路以后的支路有断线地方。请看我截的图红线,就是录音音频信号走的方向。 我遇到过那个L102断线的情况,导致一个声道无录音。就是  详情 回复 发表于 2023-2-27 08:04
回复 支持 反对

使用道具 举报

599

主题

1万

帖子

8

威望

高级会员

Rank: 4Rank: 4Rank: 4Rank: 4

交易诚信度
1
注册时间
2016-2-6
QQ
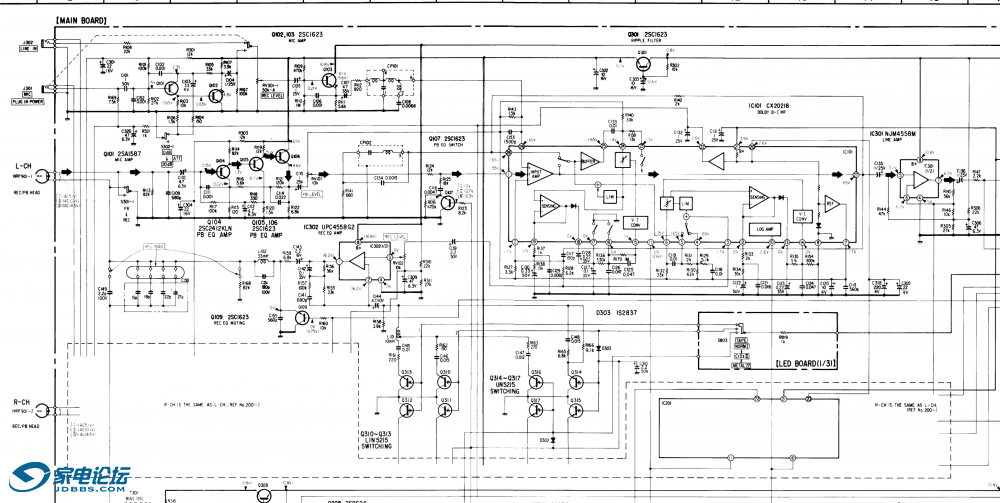
 楼主| 发表于 2023-2-27 08:04 | 显示全部楼层
rsgx 发表于 2023-2-25 22:55
大佬你好,我的机器故障就跟您说的第一种一样,监听都有声音,录的时候左声道没声音,这问题该查哪里,希望 ...

微信截图_20230227080238.png 感谢坛友。
您描述的问题,我分析,可能是放大电路以后的支路有断线地方。请看我截的图红线,就是录音音频信号走的方向。
我遇到过那个L102断线的情况,导致一个声道无录音。就是距离磁头最近的那个电感。

点评

我这电路图怎么和您的不一样,您看下楼下我发的图。  详情 回复 发表于 2023-2-27 21:20
啥也不说了,跪谢大佬~  详情 回复 发表于 2023-2-27 20:06
我的QQ:147972897 欢迎各位坛友指教
回复 支持 反对

使用道具 举报

8

主题

435

帖子

1

威望

初级会员

Rank: 2Rank: 2

交易诚信度
2
注册时间
2007-2-12
发表于 2023-2-27 09:57 | 显示全部楼层
回复

使用道具 举报

184

主题

3733

帖子

0

威望

中级会员

Rank: 3Rank: 3Rank: 3

交易诚信度
0
注册时间
2018-1-9
发表于 2023-2-27 10:32 | 显示全部楼层
大师哈..............
回复 支持 反对

使用道具 举报

1

主题

71

帖子

0

威望

新手上路

Rank: 1

交易诚信度
0
注册时间
2015-12-8
发表于 2023-2-27 20:06 | 显示全部楼层
秦皇岛小张 发表于 2023-2-27 08:04
感谢坛友。
您描述的问题,我分析,可能是放大电路以后的支路有断线地方。请看我截的图红线,就是录音音 ...

啥也不说了,跪谢大佬~
回复 支持 反对

使用道具 举报

1

主题

71

帖子

0

威望

新手上路

Rank: 1

交易诚信度
0
注册时间
2015-12-8
发表于 2023-2-27 21:18 | 显示全部楼层
额。。
微信图片_20230227211746.png
回复

使用道具 举报

1

主题

71

帖子

0

威望

新手上路

Rank: 1

交易诚信度
0
注册时间
2015-12-8
发表于 2023-2-27 21:20 | 显示全部楼层
秦皇岛小张 发表于 2023-2-27 08:04
感谢坛友。
您描述的问题,我分析,可能是放大电路以后的支路有断线地方。请看我截的图红线,就是录音音 ...

我这电路图怎么和您的不一样,您看下楼下我发的图。

点评

[attachimg]10363334[/attachimg] 这回再看看 基本的录音音频信号流程就是这样的。 那个八脚芯片各脚电压测测,主要还是断路。  详情 回复 发表于 2023-2-28 12:35
回复 支持 反对

使用道具 举报

599

主题

1万

帖子

8

威望

高级会员

Rank: 4Rank: 4Rank: 4Rank: 4

交易诚信度
1
注册时间
2016-2-6
QQ
 楼主| 发表于 2023-2-28 12:35 | 显示全部楼层
rsgx 发表于 2023-2-27 21:20
我这电路图怎么和您的不一样,您看下楼下我发的图。



这回再看看
基本的录音音频信号流程就是这样的。
那个八脚芯片各脚电压测测,主要还是断路。

点评

我把2个运放对调了一下,问题依旧,看来不是运放的问题。  详情 回复 发表于 2023-2-28 22:59
老师,我刚看了下,不是左声道是右声道,我就测了下电路板左下角的ic302,都显示OL,是不是芯片挂了?左声道IC301的电压都正常  详情 回复 发表于 2023-2-28 22:06
我的QQ:147972897 欢迎各位坛友指教
回复 支持 反对

使用道具 举报

您需要登录后才可以回帖 登录 | 注册

本版积分规则

Archiver|手机版|手机版|客服:010-60152166 邮箱:zx@jd-bbs.com QQ:895456697|广告合作|账号注销|家电联盟网

京公网安备 11010602010207号 ( 京ICP证041102号,京ICP备09075138号-9 )

GMT+8, 2026-6-1 06:56 , Processed in 0.170227 second(s), 25 queries , Gzip On.

快速回复 返回顶部 返回列表