马上注册 家电论坛,众多有奖活动等你来参与!
您需要 登录 才可以下载或查看,没有账号?注册
x
昨天,有网友问我:国产解码器一个比一个卖得贵,为什么出不了一个和金嗓子和马兰士抗衡的国产功放,他表示不解!其实,面对国产HIFI届的如此没落,我也有很多话想说,今天我就拿日本金嗓子的发展史比对一下,看看为何国产国产HIFI届发展不起来?
 DP-90CD播放机
记得在一次去金嗓子参观时,总裁说过一番话,倒是让我很有感触:“作为一家公司,我们的经营规模很小,但是我们的目标是通过以下方式创造新的附加值:成熟的情感和技术。我们将维护和提升我们的品牌,以保持有意义的存在......”
一、出走Kenwood的两位年轻人我想没人不知道日本有个品牌叫Kenwood(建伍),他的创办人也是创办Accuphase(金嗓子)的一位牛人春日次郎,1972年,春日次郎离开了建伍,他的目标是准备建立一家真正高级音响制造厂。 而取名Accuphase的原因,从单词accurate(精确)中提取前缀 Accu,并将其与音频技术中最重要的因素 PHASE 结合起来。PHASE指的是正确相位连接,一起构成了Accuphase的品牌。这个厂的宗旨只有一个,为了实现真正的高保真声音再现。
二、迎头赶上其实在上世纪70年代初期,日本的音响产品并不能进入世界一流的行列。但当时间走到公元1973年3月时,一切都变了。  C-200前级正面
 C-200前级前背
 C-200后盖
因为这年三月,金嗓子首批产品出炉,当C-200前级和P-300后级上市时,它们迅速在世界音响界引起了强烈震撼,也成为划时代的高级音响产品,美国发烧友将其喻其为音响届的“劳斯莱斯”。
 A-100单声道后级正面
 A-100单声道后级后盖
随后不断创新的产品如:A-100单声道后级成为了举足轻重的监听级产品。 而在CD转盘方面,金嗓子则展现了真正顶级的产品素质,无论是早期的分体式DP-90CD转盘、DC-91解码器、后期的合并式DP-70V CD机,DP-55、DP-65、DP-75 CD机,都令重播音质更加精确细腻。
 DP-91
直到今天,1992年金嗓子推出的DP-90、DP-91仍是旗舰级别,无数人渴望不可得的极品器材。
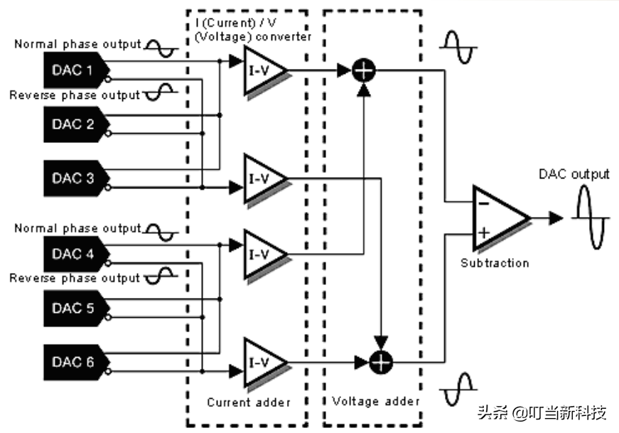
三、技术领先当1982年,金嗓子将公司名改为了Accuphase实验室公司时,很显然公司已经意识到,今后的HIFI届要靠技术唱戏,只有技术才能永保长青。 由于其专利技术库太大,我仅举一个例子,金嗓子的MDS技术。它的作用是可以有效提高 D/A 转换器性能,得到更高的动态范围、更好的线性度和更低的谐波失真等等。
 MDS++原理图
它通过大量多位D/A转换器进行并行运行,完成这个数字信号转换成模拟信号的过程,这也是金嗓子后来的MDS+、MDS++、MCS、MCS+的基础。
 DC-91正面
 DC-91背面
1992年推出的DC-91数字处理器中,MMB(多位)D/A转换器被得到首次运用,在一个声道它就直接使用了16片20位D/A转换器,最终在DC-91,我们看到了 32 片DAC芯片,指标如下: - 总谐波失真:小于0.002% (20-20KHz)
- 频率响应 : 4-20,000 Hz +0.3,-0.3 dB
- 信噪比 : 120 dB
- 动态范围 : 98 dB
- 通道分离 : 112 dB
这个数值放在1992年是个惊人的数字,而即使到了2022年,对于CD解码器而言,也是顶级的存在。
 MDS++线性度
当金嗓子开始使用MDS++技术的D/A 转换器时,得到了惊人的线性度。这条几乎是直线的线性度它表示几乎完全没有失真和噪声。
 DC-91拆机后背
 DC-91拆机正背
一招鲜吃遍天!而金嗓子的四个关键技术类别则是多方位的,它们包括了其功率放大器、前置放大器、集成电路放大器,及其最核心的SA-CD/CD播放器中。
四、对国产HIFI届的启示我想从金嗓子的发展史上,大家也可以看出点什么,那就是需要核心的科技,和不断更新的技术支撑。而这也是我们所有国产HIFI届厂家所最缺乏的。 当上世纪70年代,我们处于同一起跑线时,我们忘记了这点。而五十年过去后,我们却已经无力再去追赶!这也许是国产HIFI届厂家最大的悲哀!
五、HIFI带给我们什么?诚然,很多人都很奇怪,我们喜欢HIFI音频产品到底为了什么? 其实,欣赏HIFI的音乐本身就是种复杂而有益的爱好,虽然它们不是我们生活的必需品,没有他们也行。但是,音乐绝对会丰富我们的情感,使我们成为人类的重要组成部分。 能够在任何时候以自己的方式自由地听到真正高保真的音乐,这也许就是是什么让音频如此珍贵的原因!HIFI产品,保证了我们可以欣赏到很多人无法听到的各种音乐细节、质感等等;乃至更多的是对音乐的感动! 而高保真的音乐则无私地熏陶着我们,让我们进步,并获得无限的灵感!
|