家电论坛

广告合作
 注册  找回密码

QQ登录

只需一步,快速开始

手机号码,快捷登录

手机号码,快捷登录

查看: 6393|回复: 27

[磁带随身听] HS-JS415杜比无效的问题。

[复制链接]

66

主题

1805

帖子

21

威望

高级会员

Rank: 4Rank: 4Rank: 4Rank: 4

交易诚信度
0
注册时间
2003-5-16
发表于 2021-7-10 13:57 | 显示全部楼层 |阅读模式

马上注册 家电论坛,众多有奖活动等你来参与!

您需要 登录 才可以下载或查看,没有账号?注册

x
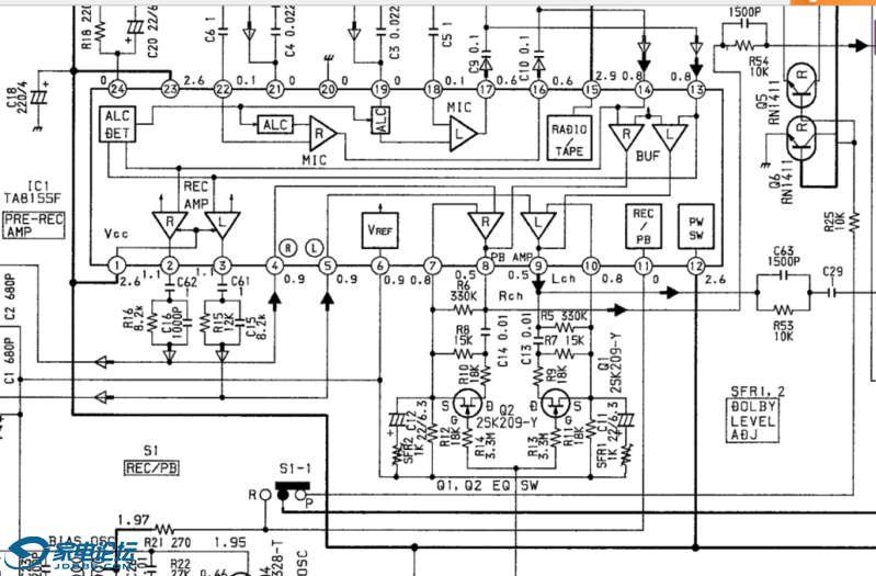
最近偶尔发现JS415的杜比无效果,开和关并没有 变化。
情况如下:
1.开关是好的。
2.根据电路图,打开状态下,杜比IC的17脚电位为0,没问题;关闭状态下,17脚电压为1.0v,和手册标的1.5v略有差距。
3.杜比IC其他所有脚电压都正常。
4.机器声音什么都很正常,就是开杜比没有效果。

疑问:
1.js415手册里画的杜比ic17、18脚是联通的,是不是有问题?对比别的手册,都没有这么画。
2.哪位解决过类似问题,给支个招。
js415.png
I'm RockMan~! 骗子杀手~!
回复

使用道具 举报

86

主题

5301

帖子

5

威望

高级会员

Rank: 4Rank: 4Rank: 4Rank: 4

交易诚信度
8
注册时间
2011-8-12
发表于 2021-7-10 14:33 来自家电论坛网手机触屏版 | 显示全部楼层
从不开杜比的路过

点评

哈哈。我也是这么安慰自己的。  详情 回复 发表于 2021-7-10 14:50
回复 支持 反对

使用道具 举报

66

主题

1805

帖子

21

威望

高级会员

Rank: 4Rank: 4Rank: 4Rank: 4

交易诚信度
0
注册时间
2003-5-16
 楼主| 发表于 2021-7-10 14:50 | 显示全部楼层

哈哈。我也是这么安慰自己的。
I'm RockMan~! 骗子杀手~!
回复 支持 反对

使用道具 举报

85

主题

1万

帖子

58

威望

特级会员

Rank: 5Rank: 5Rank: 5Rank: 5Rank: 5

交易诚信度
25
注册时间
2012-12-27
QQ
发表于 2021-7-11 22:16 来自家电论坛网手机触屏版 | 显示全部楼层
开关会不会失效了?没问题就杜比IC换掉

点评

都不是,开关好的,IC也是好的。。。。。 昨天查了线路换了IC,线路也没有断路,更换了IC还是一样。 这还挺搞笑的。。  详情 回复 发表于 2021-7-12 08:38
回复 支持 反对

使用道具 举报

66

主题

1805

帖子

21

威望

高级会员

Rank: 4Rank: 4Rank: 4Rank: 4

交易诚信度
0
注册时间
2003-5-16
 楼主| 发表于 2021-7-12 08:38 | 显示全部楼层
Philips828 发表于 2021-7-11 22:16
开关会不会失效了?没问题就杜比IC换掉

都不是,开关好的,IC也是好的。。。。。

昨天查了线路换了IC,线路也没有断路,更换了IC还是一样。

这还挺搞笑的。。
I'm RockMan~! 骗子杀手~!
香港弦声音响
回复 支持 反对

使用道具 举报

66

主题

1805

帖子

21

威望

高级会员

Rank: 4Rank: 4Rank: 4Rank: 4

交易诚信度
0
注册时间
2003-5-16
 楼主| 发表于 2021-7-12 09:33 | 显示全部楼层
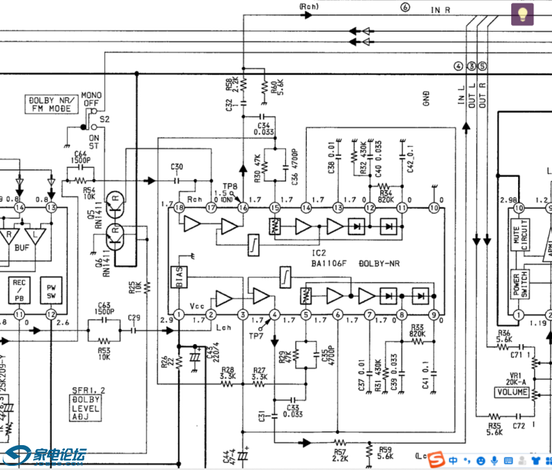
发现磁头放大电路附近还有一块和杜比有关的电路,分析了一下,感觉这里有问题也会造成我遇到的的问题。
抽空再走一遍电路。。。。感觉很接近了。
js415杜比问题.png
I'm RockMan~! 骗子杀手~!
回复 支持 反对

使用道具 举报

9

主题

647

帖子

2

威望

初级会员

Rank: 2Rank: 2

交易诚信度
0
注册时间
2015-6-3
发表于 2021-7-12 10:37 来自家电论坛网手机触屏版 | 显示全部楼层
用的瑐带本身不是杜比录音的?

点评

即使不是杜比录音的,开关杜比也是有明显的效果的。  详情 回复 发表于 2021-7-12 11:41
回复 支持 反对

使用道具 举报

37

主题

5945

帖子

0

威望

中级会员

Rank: 3Rank: 3Rank: 3

交易诚信度
0
注册时间
2016-7-7
发表于 2021-7-12 10:46 | 显示全部楼层
杜比这个音效不体验一下实在可惜

点评

机器有问题,心里痒痒,就想弄好它。。  详情 回复 发表于 2021-7-12 12:39
回复 支持 反对

使用道具 举报

66

主题

1805

帖子

21

威望

高级会员

Rank: 4Rank: 4Rank: 4Rank: 4

交易诚信度
0
注册时间
2003-5-16
 楼主| 发表于 2021-7-12 11:41 | 显示全部楼层
wmhhzzj 发表于 2021-7-12 10:37
用的瑐带本身不是杜比录音的?

即使不是杜比录音的,开关杜比也是有明显的效果的。
I'm RockMan~! 骗子杀手~!
回复 支持 1 反对 0

使用道具 举报

66

主题

1805

帖子

21

威望

高级会员

Rank: 4Rank: 4Rank: 4Rank: 4

交易诚信度
0
注册时间
2003-5-16
 楼主| 发表于 2021-7-12 12:39 | 显示全部楼层
活在生活 发表于 2021-7-12 10:46
杜比这个音效不体验一下实在可惜

机器有问题,心里痒痒,就想弄好它。。
I'm RockMan~! 骗子杀手~!
回复 支持 反对

使用道具 举报

6

主题

425

帖子

0

威望

初级会员

Rank: 2Rank: 2

交易诚信度
0
注册时间
2019-5-31
发表于 2021-7-12 16:22 | 显示全部楼层
杜比降噪,不是杜比音效,开了能有什么效果。最多是高频略衰减,。一般的带子也听不出来

点评

有音乐的时候是听不出来,只感觉高音少了,在空白的地方能明显噪音小了,其实只不过把高音衰减了才把噪音降低了,没啥用的功能。  详情 回复 发表于 2021-8-4 09:46
听不出来?除非是机器有问题。。  详情 回复 发表于 2021-7-12 17:14
回复 支持 反对

使用道具 举报

66

主题

1805

帖子

21

威望

高级会员

Rank: 4Rank: 4Rank: 4Rank: 4

交易诚信度
0
注册时间
2003-5-16
 楼主| 发表于 2021-7-12 17:14 | 显示全部楼层
ccwzjsy 发表于 2021-7-12 16:22
杜比降噪,不是杜比音效,开了能有什么效果。最多是高频略衰减,。一般的带子也听不出来

听不出来?除非是机器有问题。。
I'm RockMan~! 骗子杀手~!
回复 支持 反对

使用道具 举报

41

主题

1238

帖子

0

威望

初级会员

Rank: 2Rank: 2

交易诚信度
0
注册时间
2007-4-20
发表于 2021-8-3 16:11 | 显示全部楼层
我觉得还是要查一下过孔,很有可能就是过孔断路引起故障。我昨天晚上处理了一台J303,也是上个周末打理好的,其他的都挺好,就是DSL开关失效,总是处于打开状态。昨天晚上照图纸查了一下,最后发现就是过孔断了引起的故障。首先查DSL开关两边的相关电路,图纸中DSL开关状态是打开时,开关公共端与ON点接通,ON点是悬空点。DSL一直是打开说明从R67到C71这一段电路中间可能有断路的情况。关闭DSL时,公共端与OFF接通。检查了OFF端到C71的一端线路是导通的,应该不是这里,再查开关的公共点到R67时,发现R67的供电端是0V,正常应该是2.4V(图纸上标注是2V),问题这下就明了了,顺藤摸瓜查电源端走线,最后发现是图片上的红圈处过孔断路,原来背面就是一颗4V200UF的滤波电容,漏液了腐蚀造成的断路,直接飞了一根线过去,故障解决。
微信截图_20210803152354.png
搜狗截图21年08月03日1536_1.png
微信截图_20210803161204.png

点评

1.开关好的, 2.IC代换了,IC也是好的。。。。。 3.杜比IC周边线路也挨着查了,每一个阻容软件都正常,线路也没有断路。 呆了。。。  详情 回复 发表于 2021-8-3 16:20
回复 支持 反对

使用道具 举报

66

主题

1805

帖子

21

威望

高级会员

Rank: 4Rank: 4Rank: 4Rank: 4

交易诚信度
0
注册时间
2003-5-16
 楼主| 发表于 2021-8-3 16:20 | 显示全部楼层
生鱼片7219 发表于 2021-8-3 16:11
我觉得还是要查一下过孔,很有可能就是过孔断路引起故障。我昨天晚上处理了一台J303,也是上个周末打理好的 ...

1.开关好的,
2.IC代换了,IC也是好的。。。。。
3.杜比IC周边线路也挨着查了,每一个阻容软件都正常,线路也没有断路。

呆了。。。

点评

检查一下杜比芯片周边电容的接地情况看看  详情 回复 发表于 2021-8-3 22:33
I'm RockMan~! 骗子杀手~!
回复 支持 反对

使用道具 举报

41

主题

1238

帖子

0

威望

初级会员

Rank: 2Rank: 2

交易诚信度
0
注册时间
2007-4-20
发表于 2021-8-3 22:33 来自家电论坛网手机触屏版 | 显示全部楼层
x_rockman 发表于 2021-8-3 16:20
1.开关好的,
2.IC代换了,IC也是好的。。。。。
3.杜比IC周边线路也挨着查了,每一个阻容软件都正常, ...

检查一下杜比芯片周边电容的接地情况看看

点评

查过,都是好的。  详情 回复 发表于 2021-8-4 08:48
回复 支持 反对

使用道具 举报

您需要登录后才可以回帖 登录 | 注册

本版积分规则

Archiver|手机版|手机版|客服:010-60152166 邮箱:zx@jd-bbs.com QQ:895456697|广告合作|账号注销|家电联盟网

京公网安备 11010602010207号 ( 京ICP证041102号,京ICP备09075138号-9 )

GMT+8, 2026-4-7 11:24 , Processed in 0.183784 second(s), 37 queries , Gzip On.

快速回复 返回顶部 返回列表