家电论坛

广告合作
 注册  找回密码

QQ登录

只需一步,快速开始

手机号码,快捷登录

手机号码,快捷登录

查看: 4862|回复: 19

[磁带随身听] 求助帖。爱华J707

[复制链接]

8

主题

181

帖子

0

威望

初级会员

Rank: 2Rank: 2

交易诚信度
0
注册时间
2018-4-19
发表于 2019-3-26 16:18 | 显示全部楼层 |阅读模式

马上注册 家电论坛,众多有奖活动等你来参与!

您需要 登录 才可以下载或查看,没有账号?注册

x
IMG_3149_副本_副本.png IMG_3150_副本.jpg 近期打理了几台爱华JX0X,声音是我比较喜欢的。现手上这台J707全面打理后收音AM,FM都能搜台自停。磁带部分按下播放键后电机转2,3秒后就停了,有声音。换了IC6612及周边原件故障依旧。后发现图中红圈电容处直接连通后收音正常。放音时有一面正常,一面有磁带反方向的杂音。恭请坛内各位大师诊评,谢谢
回复

使用道具 举报

410

主题

9810

帖子

8

威望

高级会员

Rank: 4Rank: 4Rank: 4Rank: 4

交易诚信度
8
注册时间
2015-9-17
发表于 2019-3-26 16:24 | 显示全部楼层
与电机有关的电路就那么几个原件。仔细查,有断路。
回复 支持 反对

使用道具 举报

8

主题

181

帖子

0

威望

初级会员

Rank: 2Rank: 2

交易诚信度
0
注册时间
2018-4-19
 楼主| 发表于 2019-3-26 16:33 | 显示全部楼层
99199 发表于 2019-3-26 16:24
与电机有关的电路就那么几个原件。仔细查,有断路。

谢谢,再查查。会不会是有元件损坏呢,如有断路就不会转几秒了?
回复 支持 反对

使用道具 举报

8

主题

762

帖子

0

威望

初级会员

Rank: 2Rank: 2

交易诚信度
1
注册时间
2015-5-22
QQ
发表于 2019-3-26 16:40 来自家电论坛网手机触屏版 | 显示全部楼层
我感觉是不是感应磁带的开关问题呢?只是提供一个思路,我也不知道这机器有没有这开关
回复 支持 反对

使用道具 举报

52

主题

4001

帖子

26

威望

高级会员

Rank: 4Rank: 4Rank: 4Rank: 4

交易诚信度
1
注册时间
2017-8-7
发表于 2019-3-26 17:10 来自家电论坛网手机触屏版 | 显示全部楼层
查板子上的总开关先,然后再看电机附近的电路过孔
香港弦声音响
回复 支持 反对

使用道具 举报

8

主题

181

帖子

0

威望

初级会员

Rank: 2Rank: 2

交易诚信度
0
注册时间
2018-4-19
 楼主| 发表于 2019-3-26 17:13 | 显示全部楼层
jhz8585 发表于 2019-3-26 16:40
我感觉是不是感应磁带的开关问题呢?只是提供一个思路,我也不知道这机器有没有这开关

我也曾这样认为过,换了磁带正反检索元件的
回复 支持 反对

使用道具 举报

8

主题

181

帖子

0

威望

初级会员

Rank: 2Rank: 2

交易诚信度
0
注册时间
2018-4-19
 楼主| 发表于 2019-3-26 17:16 | 显示全部楼层
也曾遇到通电后电机就停不下来的情况
回复 支持 反对

使用道具 举报

8

主题

181

帖子

0

威望

初级会员

Rank: 2Rank: 2

交易诚信度
0
注册时间
2018-4-19
 楼主| 发表于 2019-3-26 17:24 | 显示全部楼层
不过手上已经打理好一台完美的J303,一台T303.放音好收音无声的J202.半尸或全尸机好几台
回复 支持 反对

使用道具 举报

0

主题

13

帖子

0

威望

新手上路

Rank: 1

交易诚信度
0
注册时间
2016-6-21
发表于 2019-3-26 19:05 来自家电论坛网手机触屏版 | 显示全部楼层
检查一下所有点触开关,看看是否接通,最好都补焊一下,遇到过一个开关焊点虚焊的,现象跟你这个差不多
回复 支持 反对

使用道具 举报

54

主题

2365

帖子

11

威望

中级会员

Rank: 3Rank: 3Rank: 3

交易诚信度
0
注册时间
2001-11-21
发表于 2019-3-26 19:40 | 显示全部楼层
补焊光电检测回路原件,J系列很多有这个问题。正反面的问题,拆洗磁头换面开关,还有一定要拆洗录音切换开关

点评

我有一台,自己搞的,懒得拆洗,直接除锈剂伺候,然后无水酒精超声波洗版。不知道这样是否会腐蚀主板?  详情 回复 发表于 2019-3-27 08:05
回复 支持 反对

使用道具 举报

8

主题

181

帖子

0

威望

初级会员

Rank: 2Rank: 2

交易诚信度
0
注册时间
2018-4-19
 楼主| 发表于 2019-3-26 20:06 | 显示全部楼层
lei906523114 发表于 2019-3-26 19:05
检查一下所有点触开关,看看是否接通,最好都补焊一下,遇到过一个开关焊点虚焊的,现象跟你这个差不多

好的,谢谢
回复 支持 反对

使用道具 举报

8

主题

181

帖子

0

威望

初级会员

Rank: 2Rank: 2

交易诚信度
0
注册时间
2018-4-19
 楼主| 发表于 2019-3-26 20:09 | 显示全部楼层
zl0453 发表于 2019-3-26 19:40
补焊光电检测回路原件,J系列很多有这个问题。正反面的问题,拆洗磁头换面开关,还有一定要拆洗录音切换开 ...

行,再检测一下光电回路。所有开关都仔细清洗过,谢谢指点
回复 支持 反对

使用道具 举报

50

主题

1241

帖子

2

威望

中级会员

Rank: 3Rank: 3Rank: 3

交易诚信度
0
注册时间
2015-8-20
QQ
发表于 2019-3-26 20:30 | 显示全部楼层
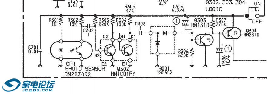
参考这里的图纸,图中元器件一个一个的检查
2019-03-26_202704.png
2019-03-26_202927.png

点评

正解  详情 回复 发表于 2019-3-26 21:26
回复 支持 反对

使用道具 举报

54

主题

2365

帖子

11

威望

中级会员

Rank: 3Rank: 3Rank: 3

交易诚信度
0
注册时间
2001-11-21
发表于 2019-3-26 21:26 | 显示全部楼层
sdxdzaoyi 发表于 2019-3-26 20:30
参考这里的图纸,图中元器件一个一个的检查

正解
回复 支持 反对

使用道具 举报

69

主题

445

帖子

0

威望

初级会员

Rank: 2Rank: 2

交易诚信度
0
注册时间
2019-1-24
发表于 2019-3-27 03:43 来自家电论坛网手机触屏版 | 显示全部楼层
学习了
回复 支持 反对

使用道具 举报

您需要登录后才可以回帖 登录 | 注册

本版积分规则

Archiver|手机版|手机版|客服:010-60152166 邮箱:zx@jd-bbs.com QQ:895456697|广告合作|账号注销|家电联盟网

京公网安备 11010602010207号 ( 京ICP证041102号,京ICP备09075138号-9 )

GMT+8, 2026-4-6 05:01 , Processed in 0.160482 second(s), 27 queries , Gzip On.

快速回复 返回顶部 返回列表