马上注册 家电论坛,众多有奖活动等你来参与!
您需要 登录 才可以下载或查看,没有账号?注册
x
本帖最后由 乐生族 于 2018-4-20 19:07 编辑
HDAM运放模块(Ver.2018)升级纪实与测评 笔者最近受日本JRC公司的MUSES02集成运放激发,让我们对HDAM运放模块的再次打造发生激情与行动。 始于2009年,我们对HDAM电路在模块应用上做了改进调整,电路采用多个恒流源使晶体管工作在A类状态,并相应调整不同晶体管的工作电流,使管子工作在最佳线性范围内,同时,输出级采用屋尔曼缓冲增加驱动力。结果也证明在声音表现上改变马兰士HDAM原线路听感上蒙慢感,便改进后的HDAM模块在声音表现更加通透,细节丰富,高低频延伸更佳,同时,又保留马兰士HDAM特有的中频厚度与润泽。
2009版HDAM
一、让我们先了解一下何为马兰士Marantz HDAM 放大模块
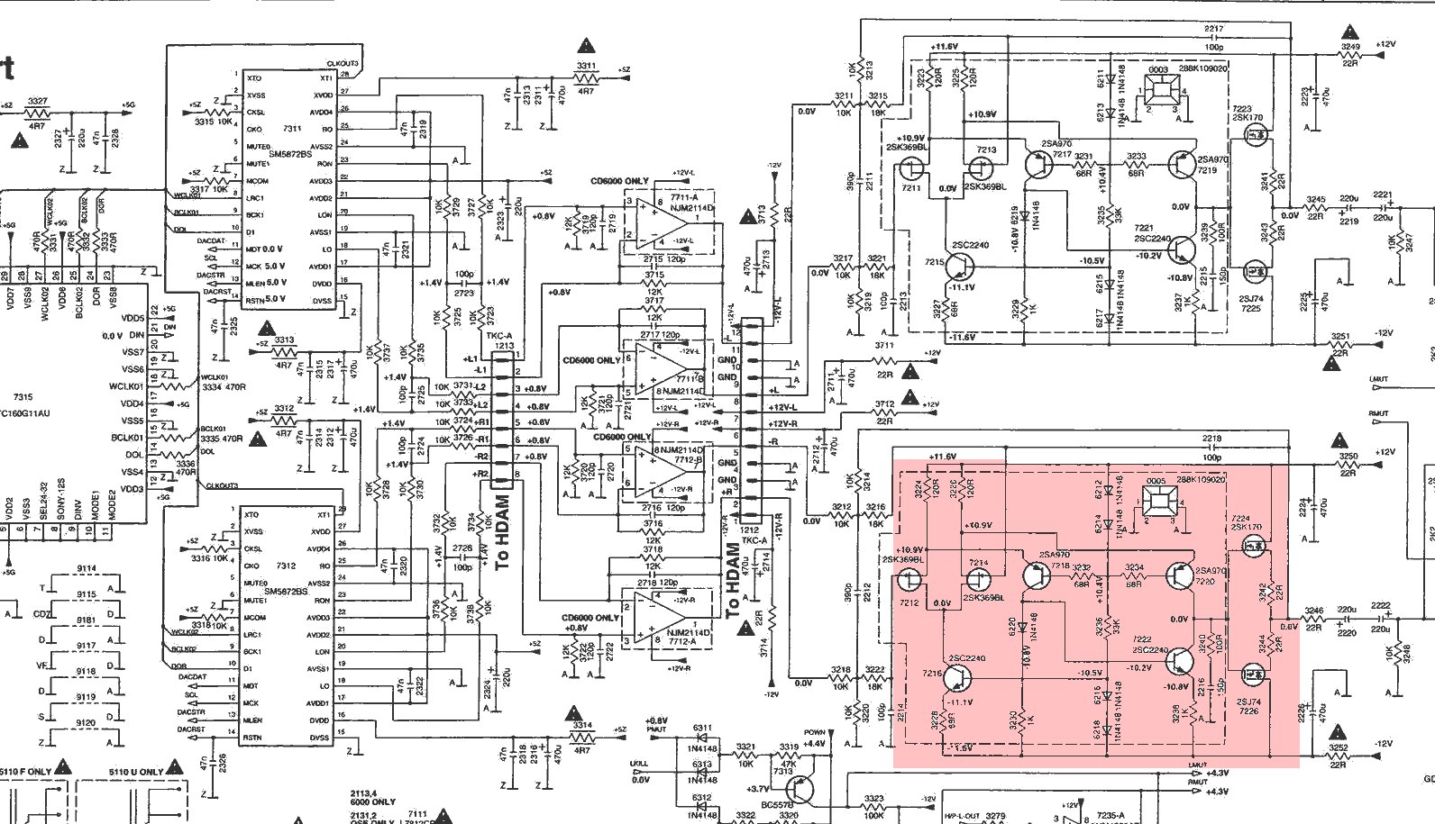
HDAM(Hyper Dynamic Amplifier Module),即高速离散放大器模块(或超动态放大器模块)。HDAM是马兰士自己研发的一种电路设计,可有效的提升音质。主要电路可参考下图(红框位置)
HDAM电路诞生于90年代初。当时功放普遍采用集成式运算(OP-AMP,operational amplifier),集成式运算的优点在于电路成熟、可靠性高、外围电路简单、成本低。缺点自然也有,一是压摆率(又称电压转换速率,Slew Rate)较低,而较低的压摆率会影响声音的速度感和层次感,弱化声音的质感;二是传统运放芯片在放大过程中会引入噪声,对源信号造成污染。在这个背景下,为了得到更好的音质,马兰士开发了HDAM这种分立式放大电路。 
HDAM是一种电路原理设计,基于这种电路原理,HDAM可以进行多种调整,以适用不同的工作环境,并且可以根据器材档次不同,做不高阶版本、中阶版本、低阶版本等,以应用在不同档次的机器上。 2002年,马兰士推出了新版的SC-7S1与MA-9S1前后级,并且应用了新的HDAM-SA电路设计。HDAM-SA是一种单位增益反冲放大器(一般叫单位增益缓冲器,或者直接就缓冲、缓冲器),它是为了配合马兰士另一项专利技术电流反馈放大技术(current feedback loop amplifier,简称CFA)而诞生的。 经过不继发展,HDAM也在不同机型、不同电路应用上衍生不同版本,如HDAM-SA1、HDAM-SA2、HDAM-SA3等。 电路与应用模块如: 以上是对HDAM初步的介绍与认识,部分资料引自《好声金盒子--深入了解马兰士 Marantz HDAM放大模块》一文。 二、HDAM模块重新设计与制作
2018年,我们在09年HDAM运放模块的基础电路上再加入旁路电容,并开始设计和使用了孪生场管和SMT元件,使模块信号通路更短,集成度更高,也让本HDAM运放模块音质更上一层楼。重新打造的2018版HDAM单运放模块厚度仅0.8cm(不计插针),双运放模块厚度仅1.6cm(不计插针),大小尺寸如硬币。使应用上也比上一代模块更方便与广泛。

三、HDAM运放模块比集成放大器(简称IC运放)优势1、高速:HDAM模块比集成运放更高速,HDAM在音频信号传输上输入与输出应该是完成相同的情况,因为它唯一的动作就是放大而不是修改信号;但音频信号总是动态变化的,IC运放都会受转换速率影响,这样,输出信号很难与输入信号保持一致。所以,声音上表现上HDAM模块在高频响应与瞬态比IC运放要好许多。
2、保持干净的音频信号:运算放大器(简称IC运放)音频传输解决方案可能会在原始信号上加入噪音;而HDAM模块采用分立件只会应用所需的运算,不会增加不很必要的噪音。从而更好保证原始信号的干净度,达到更高的声音还原度。 3、开放的声场,细节听感更逼真:HDAM模块精选分立件,经调校后更具开放的声场,声音更真实清晰,听感更放松、耐听。而IC集成运放通常受限某种型号有各自的音色与音质表现,顾此失彼。
四、HDAM运放模块使用案例
应用上CD机或解码器,耳机放大器,前级和功放时,HDAM运放模块与IC运放功能一样,具有以下作用:
1、放大器OPAMP
2、缓冲器BUF
3、滤波器LPT
★★★注意事项:本模块不支持伺服电路中当伺服IC使用★★★

|