马上注册 家电论坛,众多有奖活动等你来参与!
您需要 登录 才可以下载或查看,没有账号?注册
x
出马兰士SA-11S2 SACD机,日行100V,超美品95%新以上,一切正常无修磨,原装配件说明书包装箱,价格11980元。有意加微信看图,电话13822358088配备独创的机械模块SACDM-1
SA-11S2配备了SA-7S1所开发的马兰士定制的音频专用机械模块SACDM-1。使用了铝质压铸托盘、铝质推出架、最厚达 10mm以铝质推出材料构成的基础模块等,是投入了只有高端型号才具备的材料使用量的设计。通过强力抑制高速旋转光盘的振动,读取正确的信号,排除了音质损失。但是,由于SA-11S2和SA-7S1的底座完全不同,基础模块的高度和外框架的尺寸已作部分更改。包括铝质压铸托盘在内的机械部分是完全共通的。托盘前端部分是SA-11S2专用的新型设计,使用了以铝质推出材料构成的高级规格。雕刻而成的星形标记,没有嵌入SA-7S1那样的蓝色LED。
另外,和SA-11S1相比作出改良的地方是托盘放光盘的部分是露出的。由于11S1不能完全弹出,所以需要从前端插入光盘,而SA-11S2不必顾忌这点。
控制光盘读取的伺服马达和解码读取信号的电路板部,采用的是未沿用DVD播放器的音频专用设计,玻璃环氧材料的四层电路板噪声辐射非常小。

- 配备马兰士独创的数字滤波器PEC777f2
开发SA-11S1时的PEC777f是将马兰士独创的算法应用于高性能24位DSP中的数字滤波器,具有过采样、CD播放数字滤波器、DC滤波器、降噪器等各种功能。SA-7S1开发时,改善了直接8倍过采样等算法的PEC777f2r仍旧配备在SA-11S2上。播放CD时,由内置数字滤波器去除频段外噪声,改善了SN比、动态范围等各种特性,实现了无群延迟和平坦的频率特性。内置了3个特性各异的滤波器,音质也各不相同,因此能根据光盘或欣赏者心情切换为喜欢的滤波器进行播放。
降噪器是在数字信号中加上反馈,将可听段区内的噪声推至高频的技术。从特性上来看,让降噪器工作效果比较好,但是声音的好坏是随着各种各样的条件而变化的。由于该降噪器能任意开关,所以您可以选择自己喜欢的音质。在声音的动听程度上尤其能表现出音质的变化。
另外,DC滤波器也同样能任意选择动作。DC滤波器是为了去掉与原本音乐信号没有关系的不需要的超低音区信号而配备的,它的开关也能导致音质的微妙变化。在音场感中尤其能表现出音质的变化。

- 左右声道独立配备NPC产高性能DAC(SM5866AS)
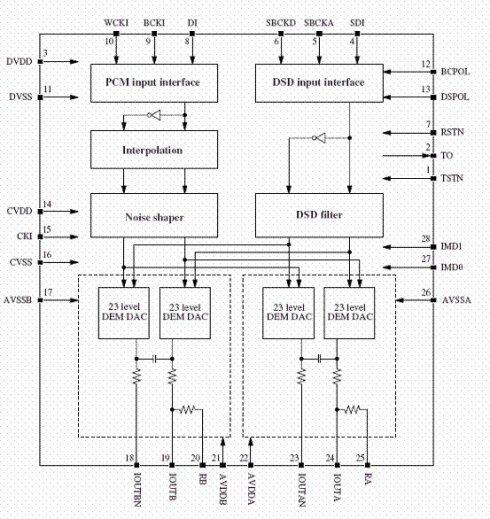
采用了SEIKO NPC公司的对应DSD、PCM两种信号的高性能D/A转换器SM5866AS。是一款追求性能的型号。由于是单声道结构,左、右声道各自独立,共配备了2个。另外,SM5866AS配备了无抖动功能,补偿了系统时钟与字符时钟之间的相位差。
SM5866AS的内部有4个(正相、反相信号各2个)单个封装内有23个的,被称之为多元件的1bitDAC。SA-14等使用的D/A转换器CS4397也依靠DEM(Dynamic Element Matching)技术,通过边高速切换这23个1bitDAC边循环使用,将DSD信号、PCM信号以相当于24bit的分辨率转化成模拟信号。之所以处理24bit信号只使用23个1bitDAC,是因为24bit中的1bit是用于信号的极性判断的,而其余的是信号的振幅信息。如果只是振幅,23bit应该足够了。
为 DSD信号时,通过控制这些DAC与内置的2种DSD滤波器,存在3种动作模式。
滤波器1不使用DSD滤波器,直接将DSD信号输入到DAC。
滤波器2、3使用DSD滤波器,去除100kHz以上的高频成分。
滤波器2通过串联处理数据滤波,实现相当于40多等级的分辨率动作。
滤波器模式 DSD滤波器(型号) DAC分辨率等级
滤波器1 OFF 23多等级
滤波器2 ON(G-滤波器) 40多等级
滤波器3 ON(G-滤波器) 23多等级

- 采用全平衡双差动音频电路
DAC以后的模拟阶段是与SA-7S1相同的全平衡双差动结构的音频电路。配备有将马兰士独有的HDAM电路置入I/V转换电路,在低通滤波器中有2个HDAM电路的Dual HDAM,和在最终段使用HDAM-SA2的输出功率放大器。这些全部都由分立电路构成,完全不使用运算放大器。部件全部是精选的高精度金属薄膜电阻和云母电容器,依靠高等级的音频电解电容器等实现了无可挑剔的模拟音频电路。从接收双差动的DAC输出的I/V转换部到输出缓冲放大器的全部模拟阶段,均由全平衡电路构成,非平衡输出、平衡输出级别是同等的。
(注)SA-11S2的模拟声音输出在超级音频播放时和CD播放时有电平差,这是因为不同的频率特性使用了不同的滤波器的缘故。虽然可以使用数字衰减器进行调整,但由于会产生音质损失而未进行。
- 电源变压器采用新开发的大容量环形变压器
SA-11S2的变压器采用了放入屏蔽盒内的大容量环形变压器。为了避免变压器分成多台份而引起的电路环路增大,小容量化,动作、品质的参差不齐等现象,由1个大容量的环形变压器构成。当然,内部的绕线分成数字电路、音频电路、显示管等各自独立的电路,从而排除了相互间的影响。依靠放大器级的大容量变压器,可进行绰绰有余的电源供给。而且,在内部芯子的外周更是采用了能抑制垂直方向磁力线泄漏的硅钢板制短环,和镀铜外壳的双重屏蔽结构,从而抑制了对机器内部的不必要的磁辐射。
环形变压器的容量
SA-7S 约120VA
SA-11S2 约80VA
SA-11S1 约60VA
(注)SA-13S1与SA-11S2的变压器的外壳尺寸相同,但其中的芯子尺寸不同。

- 高精度时钟配备专用调节器
与SA-7S1相同,配备了高精度时钟和时钟专用的定电压调节器,顾及到防抖动的万无一失。
(参考)高精度的时钟和抖动少是近年来数字音频设备中高音质播放不可缺少的要素之一。在这里对此进行简单说明。
要让D/A转换器和解码器等的数字IC电路工作,需要作为基准的时钟信号。所谓时钟信号是指以一定间隔送出的矩形波(梳状的波形),依靠晶体振荡器可以做到非常高的精度。因此在一般使用时,数字IC电路可以毫无问题地工作。但是这种时钟信号实际上存在着一种被称之为抖动的,在时间轴上非常微小的变动成分。虽然实际上只有百万分之一水平,但实际上如果换上不同精度的时钟,就能感觉到声音的变化。在高级音响的世界里,这种抖动的成分越少,就越能以高音质播放声音。
晶体振荡器(Crystal Oscillator):将晶体振子作为共振器,振荡频率稳定性高的振荡器。也叫作水晶或X。
- 外部时钟输入功能
使用数字音频设备并让各IC工作,需要的时钟信号的精度会影响音质,这是被众所周知的事情。SA-11S2内置的主时钟是非常高精度的,在DAC和数字滤波器近旁为高音质作出了自己的贡献。
但是近几年来主时钟能以非常高的精度输送的设备卖得不少。这些设备被叫做主时钟发生器,它们让CD变压器端口或单体的D/A转换器依靠高精度的时钟工作,实现高音质。
可以连接主时钟发生器,把外部的时钟作为基准信号让SA-11S2工作。对应于输入的时钟频率,分为CD的采样频率44.1kHz(1fs),以及88.2kHz(2fs)、176.4kHz(4fs)共3种。可利用前面板上的EXT.CLOCK开关进行切换。将按所选的时钟频率从主时钟发生器输入的时钟信号取得同步时,LOCK指示灯会点亮。如果不能取得同步,则LOCK指示灯会闪烁,告知出现问题。后面板的EXT.CLOCK INPUT端子使用的是BNC端子。
- 双层底盘、精加工模拟输出端子和铝铸隔板 框架和SA-11S1一样基本上没有变化。底盘是黑钢板、镀铜钢板的双层底盘、背面板使用的是镀铜钢板。对音质有很大影响的隔板是铝质压铸部件,非常坚固。
- 前面板设计、铝制顶盖
伴随着机械结构的变更,外部时钟输入以及相位转换功能的追加,前面板设计也有部分变更。除了前面所述的机械托盘的前端部分为新设计之外,LCD显示部也变为SA-7S1系列所采用的压克力窗口,取消了半镜面式样式,提高了可视性。
另外,与 SA-11S1相比在外观上有很大变化的是铝质顶盖。5mm厚的无垢板是直接能看到板厚设计,加上前面板的3片式立体设计,迅速提升了产品的高级感。虽然说SA-11S2本身绝对不是廉价商品,但其外观的高级感与同级别的其他公司产品相比称得上是出类拔萃的。(请参照附页与其它公司竞争产品的比较表。)
- 依靠注重高品质的部件与彻底的低噪声化实现了高音质
对音质有很大影响的电源模块电容器采用的是反复试作、试听后开发的定制品;模拟音频模块采用了电源部、音频电解电容器、薄膜电容器;电源部的整流电路采用的是低噪声、高响应性的肖特基屏蔽二极管。如同这样的例子随处可见。除了采用这些高品位的部件之外,还通过布线处理的最优化(最短化、没有不必要的交叉等)、电源部调节器的镀铜减震盖的安装,以及数字输出电路的屏蔽外壳等,实现了彻底的低噪声化。另外,印刷电路板的电源部分为通常2倍的70μm箔厚,在数字、模拟电路基板采用4层基板的基础上,充分保留了屏蔽面、GND面的面积,实现了低阻抗、低噪声化。
显示面板使用的是荧光显示管引起动作噪声小的LCD型面板,降低了对音频电路的影响。使用关闭显示屏功能更能排除影响。
模拟输出端子采用了黄铜切削的高级插孔,排列间距充足,能方便地插拔大插头电缆。
- 铝制面板系统遥控器
与价值系列的SACD播放器共通的铝制面板系统遥控器。具有与马兰士产放大器等同的基本功能(音量调整、输入切换)。
- 其他播放功能等(与SA-11S1相同)
- 支持SACD单层/双层/混合播放(仅限于立体声区)
- 支持SACD文本显示。(※不支持CD文本。)
- 支持音乐CD/CD-R/CD-RW播放
- 编程(30首)
- 随机播放
- 重复(1首/全部/A-B)
- 快速播放•••按下快速播放按钮,可以返回您所喜欢的,设定好的时间进行继续播放的功能。漏听的地方想返回再播放一次时,比起按快退返回,再按播放来说,只需按一下按钮即可,操作要简单得多。最近的硬盘录影机也配备了相同功能,马兰士从CD7300(2002年)以后的CD播放器都配备了此功能。
- AMS(Automatic Music Scan:光盘内所有曲目的开头部分都自动播放10秒的功能。)
- 显示屏关闭
- 20 首音乐日历
- 支持定时播放(※注:需要外部定时器。放有光盘的情况下,打开电源后自动开始播放的功能。该功能一直有效,不能设定和解除)
顶级旗舰的精彩传承- Marantz SA-11S2 SACD/CD唱盘 
如果有一件音响器材的售价只有该厂顶级旗舰的六成左右,但整体的架构与主要的用料都与旗舰产品相同(或近似),使得这件「次旗舰」产品的声音性能可以达到「旗舰」的八乘甚至是九成功力,相信绝大多数消费者都会觉得这样的产品是否很有吸引力吧?或许您也会质疑,那么还会有人多花不成比例的投资,去求取好那么「一点点」的声音表现吗?其实,厂方不需要您为他们多担这个心,因为旗舰产品所追求的除了极致的声音表现外,多少都还有「身份表彰」的作用,即使旗舰产品的身价达到两倍以上,购买者仍绝对是络绎不绝的。图说:Marantz SA-11S2的面板造型及按键安排与旗舰SA-7S1殊无二致,甚至多了立体化的切割并在中央面板两侧添加蓝色LED照明的光芒。如果将Marantz这两部SACD/CD唱盘摆在一起,或许大多数人还会误认为较有高级感的SA-11S2才是旗舰哩!
会使出以「旗舰」产品做招牌、实际上「次旗舰」产品才是真正想量贩招数的,在日系厂商之中是最常见的了。Marantz刚推出的SA-11S2(参考售价47万2500日圆)相对于他家当今的旗舰SACD/CD唱盘SA-7S1(参考售价73万5000日圆),正好是这类操作最好的例子之一。怎么说呢?SA-11S2不仅是外观与SA-7S1十分近似(甚至看起来更高科技)而已,包括机箱的结构、重量级雷射读取机构SACDM-1、SEIKO NPC的DSD/PCM高性能数字模拟转换芯片SM5866AS、自家开发有效提升CD播放音质的PEC7777f2芯片等等核心组件,全都与SA-7S1完全一样!你说,仅以约SA-7S1约六成的价格购入SA-11S2竟然可以享受到这么多,是不是很爽呢?
图说:上面的是SA-7S1的内部照片,下面这张则是SA-11S2的,请睁大眼睛仔细比对,除了SA-11S2所使用的电源变压器明显较小之外,两者的内部架构和电路板布局,看起来是不是完全一样?SA-11S2的前面板与顶盖为纯铝材打造(SA-7S1的顶盖是纯铜板),后背板采用对噪声屏蔽性能一流的镀铜钢板,底盘更是黑色钢板结合镀铜刚板的加厚双层结构(厚达3.2mm)。电路板方面,SA-11S2和SA-7S1一样采用了无铅化的双面镀铜制品,音频部分所使用者更是四层结构,在规划时特别留意充足的屏蔽面和接地面设计,为的是低阻抗、低噪音化的实现。 图说:上图这个光用眼睛看就觉得结构厚实稳固的雷射读取机构,是先前Marantz为SA-7S1的推出而特别开发的,以ㄇ字型厚实的铝材将压片上盖与侧面一体成型,底座的「支撑墙」更是用铝材与钢材复合制成,厚度达到惊人的10mm之多,且侧面再加上补强将底座与本体更紧密地结合。此外,光盘驱动的伺服电路以及处理声音读取的电路,是以两块电路板独立设计的,而且还使用四层结构的玻璃环氧电路板,为的是尽力减少噪声的放射,降低对声音信号的不利影响。这么高级的雷射读取机构,Marantz竟然不惜工本地让售价仅有SA-7S1六成的SA-11S2沿用,企图让它的好声「重头开始」! 图说:从另一个角度看SACDM-1雷射读取机构,这是它承片盘伸出的模样,为了杜绝一般塑料制品抗震能力差的缺点,这部份SACDM-1也采用金属打造。 图说:数字模拟转换核心芯片是Seiko NPC的SM5866AS,与SA-7S1所使用者完全相同,此芯片内部复合了23个1bit的DAC,每次正反相信号各使用其中2个(总共4个)。并且此23个1bit DAC是快速切换循环使用的,不论DSD或PCM转换都可达到24bit的精度。经过数字模拟转换之后再加上数字滤波电路,不论SACD或CD的回放都有三种不同声音表现的滤波模式,提供用家切换选择。当SA-11S2作为CD播放时,跟SA-7S1一样使用PEC(Phase Error Compensation,相位差补偿)改良版电路PEC777f2电路,这颗芯片是由Marantz特别开发的,功用相当于一般PCM电路的数字滤波器与DC滤波器,可以得到八倍超取样的波形进化,有效地提升信号杂音比与动态性能。 图说:以上就是NPC SM5866AS芯片的电路方块图。至于在数字模拟转换之后的模拟电路部分,当然不可能放上一般惯用的OP放大器,而是采用他家著名的HDAM模块设计,SA-11S2采用的是HDAM SA2模块,以严格挑选的高精度金属薄膜电阻、云母片与电容器等高质量组件,来打造出色的模拟音频电路,Marantz说即使是使用非平衡输出,声音水平也是和平衡输出端是同一等级的。 图说:相对于SA-7S1所使用的120VA环形变压器,SA-11S2所使用者「缩水」为80VA,不过数字电路、音频电路与显示电路各部分当然仍有独立的次级绕组,整颗电源变压器外头也有屏蔽铜罩覆盖,降低磁力外泄干扰的负面影响。 图说:SA-11S2和SA-7S1的背板一样,具有左右声道的平衡与非平衡模拟输出各一组,另外还有光纤与同轴数字输出各一组,用家可以拿它来当成一部高质量的SACD/CD转盘。此外,比较特别的是还有一组针对与外接数字模拟转换器连接时,提升CD播放质量的外部时钟输入端子,可以对应44.1kHz、88.2kHz、176.4kHz等三种频率输入。
在音响与音乐间取得最佳平衡
Marantz SA-11S2 SACD唱盘
文/关培青
说到Marantz其实是相当特别的,这是一个美国创始的品牌,从50年代创立,在资深音响迷的心中,一套7+9前后级系统奠定了不可动摇的地位。不过Marantz在80年代转成了日本品牌,还有在背景上与Philips的「暧昧」关系,在CD推出的时代,Marantz成为一个在CD产品方面非常积极的厂家,许多机种都与Philips系出同门,不过挂上Marantz的品牌就是感觉精致许多,而且是当时最有音乐性的日系CD唱盘品牌之一,直到现在还是如此。
与飞利浦密切合作
就以Philips在SACD上市之后推出的多声道SACD播放机SACD1000来说就好,内部结构跟Marantz的SA-12完全一样,包括Marantz招牌的HDAM电路模块,显见双方的合作关系密切,当然整机的精致感比起来是SA-12要好上许多。但是由此就可以看出Philips与Marantz在CD与SACD技术上的「密切」往来。所以即使到了SACD时代,笔者觉得Marantz的SACD还是跟Philips脱离不了关系。
源于这样的关系,过往Marantz CD的音质风格都以音乐感称着,与其它的日制产品回异,所以过去不少在预算上有限的朋友都会选择Philips或是更精致的Marantz CD唱盘来改装升级,在当时这确实是最具经济效益的做法,而音质确实也令人满意。
说来即使现在的Marantz也还是承袭了这样的风格,以纯音响的SACD唱盘来说,Marantz产品比起几个日本音响老牌,在价位上就来得平宜多了,特别是连初阶产品都采用了HDAM技术,这样的性能/价格比大概是其它品牌所难以企及的。玩家们请莫说Marantz不主推高价产品,这次试用的SA-11S2还不是旗舰,但已经具有接近十五万的身价,已经脱离过往「平宜」的范畴,那么性能表现还能像初阶产品那样「超值」吗?这是最令笔者好奇的。
其实过去Marantz曾推出了最高级的SA-1,不过随着时间与技术的跃进,更新更好的机种不断推出,Marantz有一段时间没有在顶级定位的SACD机种上着墨。从另一个角度来看,Marantz的型号命名,数字愈小的愈高级,那么更好的机种要怎么称呼呢?于是厂方就沿用了过往Marantz经典机种「7+9」中的前级「7」这个数字做为目前的旗舰机种型号「SA-7S1」(有趣的是,厂方已经考虑好会出S2了吗?),再下一级就是SA-11S2了。

现在HDAM模块大多不再用金属罩,可以看见本机采用的SMD零件极为高级。
旗舰机种的平价版
说SA-11S2是SA-11S1的改良版,倒不如说是SA-7S1的「平价」版,因为比较厂方的数据,内部布局的架构SA-11S2几乎与SA-7S1相同,甚至连核心的转盘机构也不例外。说到转盘机构,这可是Marantz落足工本以整块的铝合金底座所构成,厂方称之为SACDM-1,各位有没有连想到什么呢?没错,就是过往Philips的转盘机构都是以CDM系列来命名,从CDM-1、CDM-4、CDM-9到后来的CDM-12等。这个SACDM-1彷佛意味着一如过往CDM-1的高质量,或许得到了Philips方面的技术支持,但是否确实如此就不得而知了。
与SA-11S1相较,S2在功能上增添了相位反转以及另外一个重要的功能,就是外部频率同步,这点令笔者相当意外。因为笔者前些日子才从Esoteric的频率产生器领教了「准时」的重要(请见本刊336期笔者为文),现在SA-11S2也有了频率同步功能,意味着厂方预留了升级的空间。浏览了一下Marantz网站,目前产品并没有频率产生器呀?如果未来厂方能推出高性能而价格合理的频率产生器,那真是造福用家了。
数字转换器还是以NPC的SM5866AS担纲,每声道各采用一个;不过为了让CD有更好的性能,SA-11S2采取了称为PEC777f2的八倍超取样DSP数位滤波演算,这也是延续SA-11S1的优点,现在还愿意为CD撰写DSP数字滤波演算程序的厂家已经不多见了。I/V转换模拟电路则沿用厂方招牌的HDAM模块,以全平衡方式架构,而且现在Marantz已经不用金属罩将电路封住了,这样除了满足我们对HDAM的好奇之外,厂方用的好料也一览无遗。推然采用SMD制作,但是依然采用最高级的精密金属皮膜电阻组件,以及芯片式Mica电容等,性能毫无妥协。
此外还是从许多小地方看得出来厂方在抑制RF方面颇费心思,不同的电路区块还以铜片做为屏蔽。电源的部份也是依例采用数字电路与模拟电路独立的电源供应,将彼此间的干扰降至最低。而电路板也朝向缩短电路路径与加厚铜箔厚度的减低内阻设计。厂方特别提及,背板上的RCA端子可是以整块铜材车出镀金,所有的细节都没有被忽略。

音质性能大跃进
试听搭配的器材还是ML-7AXL/MCA-2前后级以及A-35,扬声器有Audax A-651与ELAC BS602,参考的CD系统则是本刊的SD-9500/KPS-30i。经过整日的暖机,一开声就知道SA-11S2比起S1有大幅度的进步,怎么说呢?过往Marantz的CD/SACD音质都有比较温厚的倾向,但有人就嫌这样略微松散,而不论是播放CD或SACD,SA-11S2开始将声音收得更结实、密度更佳,特别是中频段的部份,好像原本的肌肉经过锻炼,也显得更有张力,这是以往Marantz CD/SACD唱盘少见的。不过还是维持着相当中性而带润泽的音质平衡感(Tonal Balance),特别是弦乐的质感极佳、木味浓厚。
另外一大跃进是「透明感」,特别是在空间感的部份,会觉得空气的干净程度增加了,而且前后层次明确、结像清晰,直逼最顶级的机种,这是过往Marantz较弱的一环,但是在SA-11S2上有着明确的进步。高低音域的延伸虽非「上天下地」,但是相当的自然飘逸而适切,而结像力与空间感也很明确,没有任何能让人意识到的不足,特别是整体的音乐感非常鲜活,这点非常难能可贵,即使在过往的SA-1也没有这样的表现,SA-11S2实在是令人太满意了。

图一为本机播放标准测试CD片Noise Shaper Off之
1kHz正弦波0dB讯号FFT频谱分析图,可见三次谐波为-112dB,噪声水平约为-125dB,THD+N读值为0.00162%,性能优异。

图二为本疾播放标准CD测试片之频率响应,不同衷减由上至下至右分别为Filter3/2/1。

三为本机转盘之Jitter频谱图,本机全频段的UI值皆颇低,仅4kHz以上有微少不稳定,转盘性能优异。

本机多了外部频率输入端子,未来可接高阶频率产生器以得到更佳的音质。
结论
SA-11S2应该是所有日系CD/SACD机种中,音质风格最不像日系产品的机型,在音响性与「音乐味」之间取得了一个极佳的平衡,这也是在不论价位的所有机种中,非常难得的特质。最后笔者要说,SA-11S2虽然价格上扬到将近十五万,不过就性能与音质表现来说,比起SA-11S1要更为「超值」,一如过往CD时代的Philips与Marantz CD唱盘一样。SA-11S2绝对有实力挑战价格两倍的产品,更何况SA-11S2还有外部频率同步功能,声音还有进一步升级的空间,实在是大有前途。不只是考虑投入SACD的朋友们该注意SA-11S2,特别对于打算以二十万元以内,找一部高级CD唱盘的玩家,都不应该错过SA-11S2才对!
|