家电论坛

广告合作
 注册  找回密码

QQ登录

只需一步,快速开始

手机号码,快捷登录

手机号码,快捷登录

楼主: zhbb

[胆机] Rago976电子管唱放,直刻最新版英国名唱放

[复制链接]

4

主题

601

帖子

0

威望

初级会员

Rank: 2Rank: 2

交易诚信度
0
注册时间
2017-7-27
 楼主| 发表于 2017-9-29 00:52 | 显示全部楼层
谢谢您的关注!
回复

使用道具 举报

4

主题

601

帖子

0

威望

初级会员

Rank: 2Rank: 2

交易诚信度
0
注册时间
2017-7-27
 楼主| 发表于 2017-9-30 01:43 来自家电论坛网手机触屏版 | 显示全部楼层
谢谢您的关注!
回复

使用道具 举报

4

主题

601

帖子

0

威望

初级会员

Rank: 2Rank: 2

交易诚信度
0
注册时间
2017-7-27
 楼主| 发表于 2017-9-30 01:44 来自家电论坛网手机触屏版 | 显示全部楼层
欢迎淘宝搜索rago976唱放了解详情。
回复

使用道具 举报

4

主题

601

帖子

0

威望

初级会员

Rank: 2Rank: 2

交易诚信度
0
注册时间
2017-7-27
 楼主| 发表于 2017-10-1 02:19 | 显示全部楼层
12AX7版本正式上架,欢迎光临 钊和音频小店 了解详情。
回复

使用道具 举报

4

主题

601

帖子

0

威望

初级会员

Rank: 2Rank: 2

交易诚信度
0
注册时间
2017-7-27
 楼主| 发表于 2017-10-2 07:04 来自家电论坛网手机触屏版 | 显示全部楼层
12ax7无胆mm版上架了,欢迎到小店了解详情。
香港弦声音响
回复

使用道具 举报

4

主题

601

帖子

0

威望

初级会员

Rank: 2Rank: 2

交易诚信度
0
注册时间
2017-7-27
 楼主| 发表于 2017-10-3 02:15 来自家电论坛网手机触屏版 | 显示全部楼层
谢谢您的关注!
回复

使用道具 举报

4

主题

601

帖子

0

威望

初级会员

Rank: 2Rank: 2

交易诚信度
0
注册时间
2017-7-27
 楼主| 发表于 2017-10-3 22:27 | 显示全部楼层
12ax7无胆mm版上架了,欢迎到小店了解详情。
回复

使用道具 举报

4

主题

601

帖子

0

威望

初级会员

Rank: 2Rank: 2

交易诚信度
0
注册时间
2017-7-27
 楼主| 发表于 2017-10-4 01:33 | 显示全部楼层
12ax7无胆mm版上架了,欢迎到小店了解详情。
回复

使用道具 举报

166

主题

2574

帖子

0

威望

高级会员

Rank: 4Rank: 4Rank: 4Rank: 4

交易诚信度
72
注册时间
2008-2-5
发表于 2017-10-4 05:46 | 显示全部楼层
834用家,好声唱放,想看看834电路图。
回复

使用道具 举报

4

主题

601

帖子

0

威望

初级会员

Rank: 2Rank: 2

交易诚信度
0
注册时间
2017-7-27
 楼主| 发表于 2017-10-5 00:46 | 显示全部楼层
听音狂 发表于 2017-10-4 05:46
834用家,好声唱放,想看看834电路图。

ear834p.jpg ear834p2.jpg 参考一下
回复

使用道具 举报

4

主题

601

帖子

0

威望

初级会员

Rank: 2Rank: 2

交易诚信度
0
注册时间
2017-7-27
 楼主| 发表于 2017-10-5 10:24 来自家电论坛网手机触屏版 | 显示全部楼层
说明书
09-02-31-200908142358404514.jpg
回复

使用道具 举报

4

主题

601

帖子

0

威望

初级会员

Rank: 2Rank: 2

交易诚信度
0
注册时间
2017-7-27
 楼主| 发表于 2017-10-5 10:27 来自家电论坛网手机触屏版 | 显示全部楼层
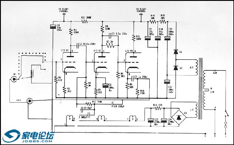
电路图
8905718213571baec5302e26b1e36714.jpg
回复

使用道具 举报

4

主题

601

帖子

0

威望

初级会员

Rank: 2Rank: 2

交易诚信度
0
注册时间
2017-7-27
 楼主| 发表于 2017-10-6 21:30 来自家电论坛网手机触屏版 | 显示全部楼层
12ax7无胆mm版上架了,欢迎到小店了解详情。
回复

使用道具 举报

4

主题

601

帖子

0

威望

初级会员

Rank: 2Rank: 2

交易诚信度
0
注册时间
2017-7-27
 楼主| 发表于 2017-10-7 23:24 来自家电论坛网手机触屏版 | 显示全部楼层
12ax7无胆mm版上架了,欢迎到小店了解详情。
回复

使用道具 举报

4

主题

601

帖子

0

威望

初级会员

Rank: 2Rank: 2

交易诚信度
0
注册时间
2017-7-27
 楼主| 发表于 2017-10-9 00:46 | 显示全部楼层
mm版DIY套件上架了,欢迎到小店了解详情。
回复

使用道具 举报

您需要登录后才可以回帖 登录 | 注册

本版积分规则

Archiver|手机版|手机版|客服:010-60152166 邮箱:zx@jd-bbs.com QQ:895456697|广告合作|账号注销|家电联盟网

京公网安备 11010602010207号 ( 京ICP证041102号,京ICP备09075138号-9 )

GMT+8, 2026-4-3 07:35 , Processed in 0.139045 second(s), 27 queries , Gzip On.

快速回复 返回顶部 返回列表