家电论坛

广告合作
 注册  找回密码

QQ登录

只需一步,快速开始

手机号码,快捷登录

手机号码,快捷登录

查看: 4618|回复: 1

[功放] 田雨 TA-801MKII 全平衡发烧前级放大器

[复制链接]

52

主题

312

帖子

0

威望

初级会员

Rank: 2Rank: 2

交易诚信度
0
注册时间
2008-7-10
发表于 2015-12-18 15:11 | 显示全部楼层 |阅读模式

马上注册 家电论坛,众多有奖活动等你来参与!

您需要 登录 才可以下载或查看,没有账号?注册

x
本帖最后由 gu1978 于 2015-12-18 15:13 编辑

1:商品名称及数量:TA-801MKII 全平衡发烧前级放大器(田雨  )
2:价格:8800(必填)
3:成色:9.99(二手必填)            
4:物品缺陷及改动:无(必填)
5:三包或保修期:包到手好(必填)
6:所在地:上海市(必填)
7:联系方式:电话13917903133或者QQ82772887(必填)
8:交易方式:(论坛中介/淘宝/同城面交)
9:淘宝链接:
10:运输方式及运费:
11:物品图片或详细描述
本机为2015年8月购入,成色十分新,颜色为金红色。
挺不错的好前级,因计划有变,故出给需要的朋友。



以下为田雨关于此机的介绍,仅代参考:
[size=14.44444465637207px]田雨音响开发的TA-801全平衡前级放大器,自推出以来,以其严谨的设计,高水准的制作工艺,卓绝的声音表现,深受发烧友好评。秉承田雨音响对产品精益求精,追求完美的发烧精神,为提升产品素质,全新推出升级版TA-801MKII。
[size=14.44444465637207px]  TA-801MKII是在TA-801的基础上,进一步优化电路参数及PCB布局布线,加入增益控制功能,输出失调校正电路,声音表现更加完美,全面提升产品素质和用户体验。
[size=14.44444465637207px]  本机布局为双单声道结构,TA-801MKII 的核心放大电路以瑞士达萧的经典电路为蓝本,线路结构采用高速宽带无大环路负反馈放大电路,独特的线路结构,令到声音宽松自然,高贵华丽,全频段解析力高,并且没有所谓的晶体管声,更加彻底杜绝常规晶体管机所特有的热噪声。

  而音量控制部分采用精密的继电器分流式结构,每通道信号只流经一个电阻,不经过继电器触点,控制电路采用超高可靠性控制系统,使用12原装日产松下TQ2银镀金触点小信号继电器控制分流电路,总共4096级精度被分配成80档,各通道音量控制一致性好,过渡平滑,无爆音,彻底杜绝普通音量电位器的音染和失真。
[size=14.44444465637207px]  特别开发的输出失调校正电路,将放大电路的微小失调输出直流(+/- 3mV内)校正到接近绝对0V(+/- 20uV),更加适合搭配无输入电容直接耦合后级,带来更高的信噪比,更丰富的声音细节表现。
[size=14.44444465637207px]   多达8路的信号输入选择,其中RCA输入4路,平衡输入4路,轻松应对众多输入音源,而4路平衡输入均可独立调整高低增益并带记忆保持,轻松适应不同输出电平的各种音源,不再受限于前代机器的固定增益模式,使用方便灵活,全面提升用户体验。
[size=14.44444465637207px]  面板显示采用3.2寸彩色液晶屏幕,高级全视角IPS面板,400*240高分辨率,可视角度大,高亮度,高对比度,高清晰度,耗电低,无干扰,三级亮度控制(带记忆保持),并可关闭屏幕。
[size=14.44444465637207px]而本机零件的选用,更加是不惜重本,精选高级优质零部件:
[size=14.44444465637207px]  . VISHAY BC MRS25 (前身为飞利浦MRS25)系列高可靠性电阻,音染极低,声音透明度极好。
   . EROWIMABCNCC等原装电容。
   . ON名管MJE15032/MJE15033全机共使用6对用于稳压及放大电路输出级。
   . 原装日产松下TQ2银镀金触点小信号继电器用于输入选择、音量控制电路
   . OMRON G2R-1E功率继电器用于开关机控制。
   . NEUTRIK高级镀金平衡插座,台湾原厂订货的焊板式纯铜镀金高级RCA插座。
   . Simon Tuned 音响专用高品质
O变压器,以高纯度英国6N铜线绕制,并加罩灌封,彻底杜绝杂讯干扰。
[size=14.44444465637207px]  . 全铝加强机箱,面板厚达15mm,稳重,大气。
[size=14.44444465637207px]主要技术指标:
[size=14.44444465637207px]    信号输入  RCA 4路,XLR 4路(可独立调整高低增益)
[size=14.44444465637207px]    信号输出  RCA 1路,XLR 1路(XLR输出在RCA输入时无效)
[size=14.44444465637207px]    总增益     16db(6倍放大)
[size=14.44444465637207px]    频率响应20Hz——100KHz  + - 1db
[size=14.44444465637207px]    信噪比     120db
[size=14.44444465637207px]    左右声道分离度 >120db
[size=14.44444465637207px]    输出直流 +/- 20uV
[size=14.44444465637207px]    整机功耗:待机<5W,开机< 40W
[size=14.44444465637207px]    输入电压:110V或220V(交付时固定,用户不可改变)
[size=14.44444465637207px]    重量:12kg(含包装)
[size=14.44444465637207px]    尺寸:430*365*98 mm(宽度、深度、高度,高度包含机脚到面板的最高点)

[size=14.44444465637207px]注:为保持输入信号的纯净,本机对RCA输入信号不做平衡变换处理,平衡输出关闭,仅RCA输出端子有效。
[size=14.44444465637207px]    在平衡输入时,平衡输出,RCA输出均有效。
[size=14.44444465637207px]
=============================================================
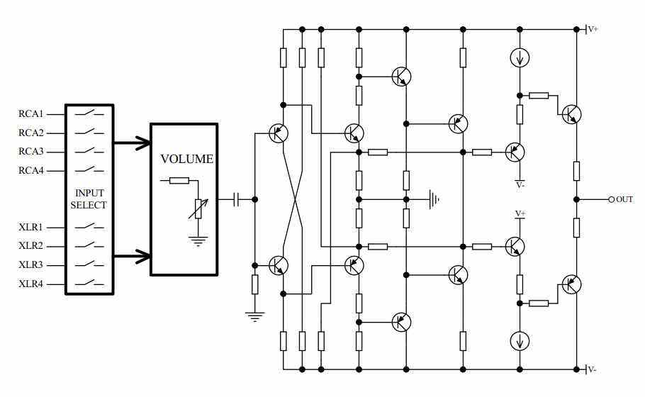
核心电路简图

声音特点:真实,准确,宽松自然,高贵华丽,信噪比高,细节丰富,全频段解析力高。
TA-801MKII前级快速使用指南(复制下面地址到浏览器地址栏打开)
http://www.feverhifi.com/attachments/TA-801/TA-801MKII使用说明简体版.pdf

http://www.feverhifi.com/attachments/TA-801/TA-801MKII使用說明繁体版.pdf

部分波形测试(复制下面地址到浏览器地址栏打开)
http://www.tanyuaudio.com/viewthread.php?tid=5211&page=2#pid67332


TA-801前级.jpg
回复

使用道具 举报

86

主题

2188

帖子

1

威望

中级会员

Rank: 3Rank: 3Rank: 3

交易诚信度
4
注册时间
2007-8-22
发表于 2015-12-18 16:33 | 显示全部楼层
bang ding!
回复

使用道具 举报

您需要登录后才可以回帖 登录 | 注册

本版积分规则

Archiver|手机版|手机版|客服:010-60152166 邮箱:zx@jd-bbs.com QQ:895456697|广告合作|账号注销|家电联盟网

京公网安备 11010602010207号 ( 京ICP证041102号,京ICP备09075138号-9 )

GMT+8, 2026-4-9 09:27 , Processed in 0.110910 second(s), 29 queries , Gzip On.

快速回复 返回顶部 返回列表