家电论坛

广告合作
 注册  找回密码

QQ登录

只需一步,快速开始

手机号码,快捷登录

手机号码,快捷登录

查看: 3345|回复: 6

[磁带随身听] JX707想改成耳放,求指导

[复制链接]

6

主题

983

帖子

-8

威望

乞丐

交易诚信度
2
注册时间
2004-7-28
发表于 2015-4-26 23:54 | 显示全部楼层 |阅读模式

马上注册 家电论坛,众多有奖活动等你来参与!

您需要 登录 才可以下载或查看,没有账号?注册

x
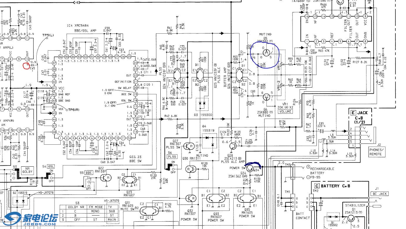
这样的,我有一台JX707想改成耳放,因为555之类的东西象没吃饭一样,707用T7688,功率足,而且有BBE和DSL音效
首先我是在图中右下方的Q34短接,让它开机,音频输入接到左上角红圈的位置,已经把杜比IC的电源脚和输出脚都断开了,这样出来的声音很小,噪音又非常大
XRC5484第41脚供电是2.4V,21脚是1.9V,我是用两节镍氢电池供电的后来发现把输入接到音量电位器那里,声音就正常了,但没了BBE和DSL,琢磨了一个晚上,又把右上角的控制静音管子的D,S脚短接过去,还是不行
所以请老顾或者别的高手指点一下,怎么接线才能保留音效和声音正常(现在是音量小,噪音大)





完整一点的图
JX7071.JPG



回复

使用道具 举报

48

主题

2157

帖子

11

威望

中级会员

Rank: 3Rank: 3Rank: 3

交易诚信度
0
注册时间
2006-7-16
发表于 2015-4-27 13:09 | 显示全部楼层
从DOLBY IC (IC2,IC3)的输出(第10脚)注入音频信号,要注意的是输入电平要衰减匹配,从音量电位器注入信号,把BBE和DSL旁路掉了。
回复

使用道具 举报

6

主题

983

帖子

-8

威望

乞丐

交易诚信度
2
注册时间
2004-7-28
 楼主| 发表于 2015-4-27 21:04 | 显示全部楼层
xiaoganglu 发表于 2015-4-27 13:09
从DOLBY IC (IC2,IC3)的输出(第10脚)注入音频信号,要注意的是输入电平要衰减匹配,从音量电位器注入信 ...

试过了,不行,似乎没有进入播放状态。声音小,杂音大

点评

先把芯片周围有关的所有贴片铝电解电容全部换掉。我94年时修的J202就已经要换全部电容了,你想想也出厂几年。再不行的话可以从CD机的LINE OUT输出取音频,因为LINEOUT输出阻抗比较高,容易匹配。耳机输出阻抗太低。  发表于 2015-4-28 07:43
回复

使用道具 举报

6

主题

983

帖子

-8

威望

乞丐

交易诚信度
2
注册时间
2004-7-28
 楼主| 发表于 2015-4-28 10:36 | 显示全部楼层
本帖最后由 gun30 于 2015-4-28 10:37 编辑

电容已经全部换了,换的是钽电容,用ESR表检测过的音源是用HD5的LINE输出

回复

使用道具 举报

5

主题

414

帖子

0

威望

初级会员

Rank: 2Rank: 2

交易诚信度
0
注册时间
2014-3-18
发表于 2015-4-29 12:52 来自家电论坛网手机触屏版 | 显示全部楼层
我也想试试
回复

使用道具 举报

5

主题

414

帖子

0

威望

初级会员

Rank: 2Rank: 2

交易诚信度
0
注册时间
2014-3-18
发表于 2015-4-29 12:53 来自家电论坛网手机触屏版 | 显示全部楼层
我的扣扣285767621一起讨论
回复

使用道具 举报

您需要登录后才可以回帖 登录 | 注册

本版积分规则

Archiver|手机版|手机版|客服:010-60152166 邮箱:zx@jd-bbs.com QQ:895456697|广告合作|账号注销|家电联盟网

京公网安备 11010602010207号 ( 京ICP证041102号,京ICP备09075138号-9 )

GMT+8, 2026-5-14 15:26 , Processed in 0.181367 second(s), 27 queries , Gzip On.

快速回复 返回顶部 返回列表