家电论坛

广告合作
 注册  找回密码

QQ登录

只需一步,快速开始

手机号码,快捷登录

手机号码,快捷登录

查看: 2245|回复: 1

[磁带随身听] [求助帖]D6C升压电路,同时班子腐蚀问题

[复制链接]

26

主题

433

帖子

4

威望

中级会员

Rank: 3Rank: 3Rank: 3

交易诚信度
7
注册时间
2012-7-6
发表于 2013-5-16 21:09 | 显示全部楼层 |阅读模式

马上注册 家电论坛,众多有奖活动等你来参与!

您需要 登录 才可以下载或查看,没有账号?注册

x
本帖最后由 holy_holy 于 2013-5-16 21:25 编辑

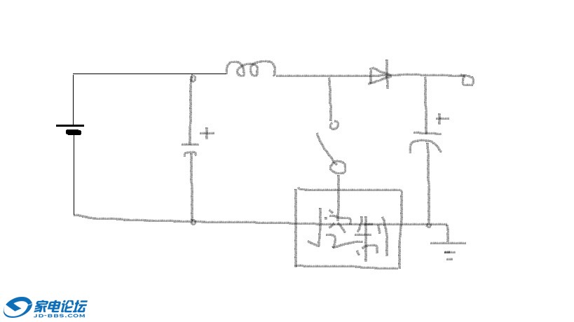
{:soso_e178:} tt.jpg
这个简单升压电路有这么几个问题,

1。频率大概是多少
2。我D6C的这个板子大概是坏了,输出只有2.5的样子 是哪一个管子坏了?
3。这个图上上面那个二极管是不是画反了 ?看到有个电路是这样的?
2.jpg

板子腐蚀的问题

1。主板被电池漏液腐蚀了,覆铜板上铜腐蚀完了,有什么办法可以把原件接起来?
2。主要腐蚀了电机稳速电路了,腐蚀的一塌糊涂。用酒精洗了后线的见影子都看不见了

目前想用D3稳速电路介入试一下机是否可行呢?

33.jpg
我这个D6C手册里印制板图这样的应该是少了红线的部分? 谁有完整的 给我搞一份呗、、30838022@qq.com




回复

使用道具 举报

127

主题

3199

帖子

35

威望

高级会员

Rank: 4Rank: 4Rank: 4Rank: 4

交易诚信度
0
注册时间
2012-5-24
发表于 2013-5-19 23:30 | 显示全部楼层
我赶紧去把电池取出来。。。。。。。。
回复 支持 反对

使用道具 举报

您需要登录后才可以回帖 登录 | 注册

本版积分规则

Archiver|手机版|手机版|客服:010-60152166 邮箱:zx@jd-bbs.com QQ:895456697|广告合作|账号注销|家电联盟网

京公网安备 11010602010207号 ( 京ICP证041102号,京ICP备09075138号-9 )

GMT+8, 2026-5-23 13:45 , Processed in 0.179082 second(s), 26 queries , Gzip On.

快速回复 返回顶部 返回列表