家电论坛

广告合作
 注册  找回密码

QQ登录

只需一步,快速开始

手机号码,快捷登录

手机号码,快捷登录

楼主: ex1890

曙光贵族之声300B单端胆机的小小打摩。

  [复制链接]

36

主题

5046

帖子

40

威望

特级会员

Rank: 5Rank: 5Rank: 5Rank: 5Rank: 5

交易诚信度
0
注册时间
2009-7-5
发表于 2012-12-3 20:48 | 显示全部楼层
Din[s:97]
回复 支持 反对

使用道具 举报

0

主题

176

帖子

0

威望

新手上路

Rank: 1

交易诚信度
0
注册时间
2012-11-22
发表于 2012-12-3 21:49 | 显示全部楼层
又见300B[s:14]
回复 支持 反对

使用道具 举报

226

主题

9352

帖子

110

威望

超级会员

Rank: 6Rank: 6Rank: 6Rank: 6Rank: 6Rank: 6

交易诚信度
2
注册时间
2011-4-6
 楼主| 发表于 2012-12-8 10:19 | 显示全部楼层
上海555 发表于 2012-12-3 20:48
Din

谢老苏顶[s:97]
回复 支持 反对

使用道具 举报

226

主题

9352

帖子

110

威望

超级会员

Rank: 6Rank: 6Rank: 6Rank: 6Rank: 6Rank: 6

交易诚信度
2
注册时间
2011-4-6
 楼主| 发表于 2012-12-8 10:20 | 显示全部楼层
老式电子管 发表于 2012-12-3 21:49
又见300B

300B还是独具其魅力的~~~
音联邦
回复 支持 反对

使用道具 举报

226

主题

9352

帖子

110

威望

超级会员

Rank: 6Rank: 6Rank: 6Rank: 6Rank: 6Rank: 6

交易诚信度
2
注册时间
2011-4-6
 楼主| 发表于 2012-12-8 10:31 | 显示全部楼层
本帖最后由 ex1890 于 2012-12-8 10:36 编辑

S300i电路图2.jpg

C2更换为jensen0.47uf/630V铜箔电容,过关!
C4更换特氟龙0.1uf/600V电容,信号有细微的截止现象。看来0.1uf也大了一些,再换为jensen0.047uf/630V铜箔(实测0.0441uf,配对一致),过关。
香港弦声音响
回复 支持 反对

使用道具 举报

71

主题

2240

帖子

2

威望

中级会员

Rank: 3Rank: 3Rank: 3

交易诚信度
0
注册时间
2011-7-19
发表于 2012-12-8 10:50 | 显示全部楼层
ex1890 发表于 2012-12-8 10:31
C2更换为jensen0.47uf/630V铜箔电容,过关!
C4更换特氟龙0.1uf/600V电容,信号有细微的截止现象。看来 ...

上图,只有把机内焊接着JENSEN电容的图片发上来才能让观众过瘾。
回复 支持 反对

使用道具 举报

226

主题

9352

帖子

110

威望

超级会员

Rank: 6Rank: 6Rank: 6Rank: 6Rank: 6Rank: 6

交易诚信度
2
注册时间
2011-4-6
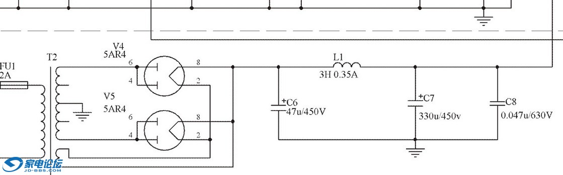
 楼主| 发表于 2012-12-8 10:57 | 显示全部楼层
本帖最后由 ex1890 于 2012-12-8 11:03 编辑

S300i电路图3.jpg

C6更换为30uf/630V电解电容(这个是否更换为100uf的更好?)。
C7更换为270uf/630V电解电容(前并1uf/630V电容,后并0.47uf/630V电容)。
这个更换很重要,电源滤波对声音的影响,大过耦合部分。
阴极电阻发热太大,换回原来的电阻,等以后上再大号的散热器。


点评

呵呵,这都是假的,把真机子翻过来看看。  发表于 2012-12-8 11:04
回复 支持 反对

使用道具 举报

64

主题

4008

帖子

21

威望

高级会员

Rank: 4Rank: 4Rank: 4Rank: 4

交易诚信度
0
注册时间
2012-2-5
发表于 2012-12-8 11:30 | 显示全部楼层
本帖最后由 mozart08 于 2012-12-8 12:20 编辑

5AR4能否换成274B,内阻小点。
第一级滤波加大,电子整流管初始充电电流大,可能会有问题,先加到100μ试试。L之后的第二级滤波电容可加大,最好换薄膜电容,频带的展宽效果好
回复 支持 反对

使用道具 举报

226

主题

9352

帖子

110

威望

超级会员

Rank: 6Rank: 6Rank: 6Rank: 6Rank: 6Rank: 6

交易诚信度
2
注册时间
2011-4-6
 楼主| 发表于 2012-12-8 12:03 | 显示全部楼层
本帖最后由 ex1890 于 2012-12-8 13:31 编辑
mozart08 发表于 2012-12-8 11:30
5AR4能否换成274B,内阻小点。
第一级滤波加大,电子管初始充电电流大,可能会有问题,先加到100μ试试。L ...


[s:21]
5AR4已经换为复刻西电274B。
IMG_0612.jpg
“第二级滤波电容可加大,最好换薄膜电容”,好经验[s:20],声场一定又宽又深,但1.没地方装:Q2.要处理好声场和声音纯净度之间的平衡。
现前后各并一个小电容,声音非常干净利落又恰到好处。
IMG_0613.jpg

回复 支持 反对

使用道具 举报

226

主题

9352

帖子

110

威望

超级会员

Rank: 6Rank: 6Rank: 6Rank: 6Rank: 6Rank: 6

交易诚信度
2
注册时间
2011-4-6
 楼主| 发表于 2012-12-8 12:10 | 显示全部楼层
民族败类 发表于 2012-12-8 10:50
上图,只有把机内焊接着JENSEN电容的图片发上来才能让观众过瘾。

真的假的对你来说很重要?
大家探讨,一定都是真实的。互相信任还是需要的{:soso_e100:}
先上一个jensen和特氟龙的图。
IMG_0625.JPG
回复 支持 反对

使用道具 举报

0

主题

60

帖子

22

威望

高级会员

Rank: 4Rank: 4Rank: 4Rank: 4

交易诚信度
0
注册时间
2011-10-2
发表于 2012-12-8 12:11 | 显示全部楼层
看起来不错
回复 支持 反对

使用道具 举报

226

主题

9352

帖子

110

威望

超级会员

Rank: 6Rank: 6Rank: 6Rank: 6Rank: 6Rank: 6

交易诚信度
2
注册时间
2011-4-6
 楼主| 发表于 2012-12-8 12:15 | 显示全部楼层
再来一个特氟龙更换为jensen后的图,等调整完毕还要进行整理,先上草图。
IMG_0632.jpg
回复 支持 反对

使用道具 举报

226

主题

9352

帖子

110

威望

超级会员

Rank: 6Rank: 6Rank: 6Rank: 6Rank: 6Rank: 6

交易诚信度
2
注册时间
2011-4-6
 楼主| 发表于 2012-12-8 12:23 | 显示全部楼层
老王出山 发表于 2012-12-8 12:11
看起来不错

谢老王出山顶[s:21]
上海的吗?
回复 支持 反对

使用道具 举报

226

主题

9352

帖子

110

威望

超级会员

Rank: 6Rank: 6Rank: 6Rank: 6Rank: 6Rank: 6

交易诚信度
2
注册时间
2011-4-6
 楼主| 发表于 2012-12-8 12:27 | 显示全部楼层
等电容稳定以后,还要解决底噪问题(已经很小很小了,但也要把它干掉,为高效率音箱做好前期准备!)
回复 支持 反对

使用道具 举报

226

主题

9352

帖子

110

威望

超级会员

Rank: 6Rank: 6Rank: 6Rank: 6Rank: 6Rank: 6

交易诚信度
2
注册时间
2011-4-6
 楼主| 发表于 2012-12-8 13:15 | 显示全部楼层
用来检测元器件发热的热源探测仪~~~
IMG_0610.jpg

点评

這東西可以買10台機以上了  发表于 2012-12-9 23:01
回复 支持 反对

使用道具 举报

您需要登录后才可以回帖 登录 | 注册

本版积分规则

Archiver|手机版|手机版|客服:010-60152166 邮箱:zx@jd-bbs.com QQ:895456697|广告合作|账号注销|家电联盟网

京公网安备 11010602010207号 ( 京ICP证041102号,京ICP备09075138号-9 )

GMT+8, 2026-4-7 17:52 , Processed in 0.161922 second(s), 30 queries , Gzip On.

快速回复 返回顶部 返回列表