家电论坛

广告合作
 注册  找回密码

QQ登录

只需一步,快速开始

手机号码,快捷登录

手机号码,快捷登录

北美之声
开博尔
雅马哈家庭音响
楼主: 怪胎怪才

[音箱] 一位美国AV专家告诉我:不要弄7。1系统【找砖贴】

[复制链接]

15

主题

1万

帖子

52

威望

特级会员

Rank: 5Rank: 5Rank: 5Rank: 5Rank: 5

交易诚信度
0
注册时间
2005-9-9
发表于 2007-7-9 19:06 | 显示全部楼层
有米上11.1也不会不好
回复 支持 反对

使用道具 举报

40

主题

2057

帖子

192

威望

超级会员

Rank: 6Rank: 6Rank: 6Rank: 6Rank: 6Rank: 6

交易诚信度
0
注册时间
2006-9-30
发表于 2007-7-9 19:18 | 显示全部楼层
对不起也要说句:

你那位美国朋友 --> 並非AV专家

[s:18] [s:18] [s:18]

你的空间这样大,可玩 7.1 或 7.2

[s:20] [s:20] [s:20]

前置及後置声压是可以很容易设定

肯定是 7.1 比 5.1 包围感更佳!

[s:99] [s:99] [s:99]

我家这样小的空间也上 7.2 啊!

[s:89] [s:89] [s:89]











[ 本帖最后由 HiViUser 于 2007-7-9 19:20 编辑 ]

欢迎交流 ==> 我的影音组合
回复 支持 反对

使用道具 举报

11

主题

235

帖子

5

威望

中级会员

Rank: 3Rank: 3Rank: 3

交易诚信度
8
注册时间
2005-4-19
 楼主| 发表于 2007-7-9 20:10 | 显示全部楼层
原帖由 HiViUser 于 2007-7-9 19:18 发表
肯定是 7.1 比 5.1 包围感更佳!
我家这样小的空间 ...



谢谢你的图……

很有帮助 :victory:
音联邦
回复 支持 反对

使用道具 举报

2

主题

111

帖子

31

威望

高级会员

Rank: 4Rank: 4Rank: 4Rank: 4

交易诚信度
4
注册时间
2004-1-2
发表于 2007-7-10 16:00 | 显示全部楼层
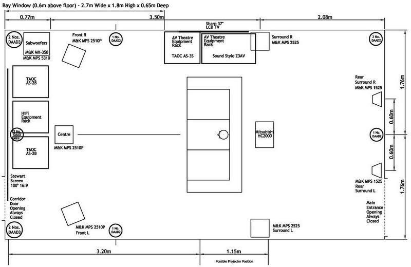
从LZ的房型图看客厅是开放式的,并不具备右图所示摆放后环绕的后墙.如果7.1后环绕只能吊装,考虑到客厅的美观,需要高出理想的吊装高度1米左右,严重影响后方声场.
事实上如果环境条件允许,在客观因素基本相同的前提下,7.1无论如何都胜出5.1,当然我指的是影院表现.
回复 支持 反对

使用道具 举报

11

主题

235

帖子

5

威望

中级会员

Rank: 3Rank: 3Rank: 3

交易诚信度
8
注册时间
2005-4-19
 楼主| 发表于 2007-7-10 17:39 | 显示全部楼层
原帖由 bdyq 于 2007-7-10 16:00 发表
从LZ的房型图看客厅是开放式的,并不具备右图所示摆放后环绕的后墙.如果7.1后环绕只能吊装,考虑到客厅的美观,需要高出理想的吊装高度1米左右,严重影响后方声场.
事实上如果环境条件允许,在客观因素基本相同的前 ...


[s:20]

另一位高手也是这么说的。[s:30]

因为投影幕已经定下135寸,so……观看距离在6米左右…so……皇帝位距后墙1.5米,装后环绕距离不够……

不知道偶说的对不对

[ 本帖最后由 怪胎怪才 于 2007-7-10 17:41 编辑 ]
香港弦声音响
回复 支持 反对

使用道具 举报

130

主题

5754

帖子

549

威望

荣誉会员

Rank: 8Rank: 8Rank: 8Rank: 8Rank: 8Rank: 8Rank: 8Rank: 8

积极参与奖影音发烧友

交易诚信度
14
注册时间
2001-11-21
QQ
发表于 2007-7-10 22:25 | 显示全部楼层
原帖由 HiViUser 于 2007-7-9 19:18 发表
对不起也要说句:

你那位美国朋友 --> 並非AV专家

   

你的空间这样大,可玩 7.1 或 7.2

   

前置及後置声压是可以很容易设定

肯定是 7.1 比 5.1 包围感更佳!

   

我家这样小的空间 ...

兄台你好 我问下 你这样设置的莱思康在听纯HIFI音乐两声道的时候 你的主声道是否也工作在80HZ 而80HZ一下炮也在工作?
聆听是艺术


QQ 4791446
回复 支持 反对

使用道具 举报

6

主题

2509

帖子

41

威望

特级会员

Rank: 5Rank: 5Rank: 5Rank: 5Rank: 5

交易诚信度
10
注册时间
2003-9-12
发表于 2007-7-11 09:02 | 显示全部楼层
原帖由 汤米 于 2007-7-10 22:20 发表
是这样看

首先7.1与5.1的效果好坏关键不见得是环境而是软件.如果是5.1的DVD软件,那么即使采用MATRIX来让7.1的系统产生后环绕的感觉实际上仅仅是意识形态领域里面的包围感增加,因为矩阵的办法是从两个侧环绕中 ...

请教下汤米兄,电影院里挂的后环绕,在放原始5声道的电影时候出不出声音呢?如果出的话,是用什么算法呢?
但愿宝宝平安健康!
回复 支持 反对

使用道具 举报

2

主题

111

帖子

31

威望

高级会员

Rank: 4Rank: 4Rank: 4Rank: 4

交易诚信度
4
注册时间
2004-1-2
发表于 2007-7-11 09:26 | 显示全部楼层
原帖由 汤米 于 2007-7-10 22:25 发表

兄台你好 我问下 你这样设置的莱思康在听纯HIFI音乐两声道的时候 你的主声道是否也工作在80HZ 而80HZ一下炮也在工作?

Hiviuser兄听HIFI使用另外一套系统.
回复 支持 反对

使用道具 举报

2

主题

111

帖子

31

威望

高级会员

Rank: 4Rank: 4Rank: 4Rank: 4

交易诚信度
4
注册时间
2004-1-2
发表于 2007-7-11 09:28 | 显示全部楼层
原帖由 怪胎怪才 于 2007-7-10 17:39 发表


…so……皇帝位距后墙1.5米,装后环绕距离不够……

偶还是不明白你说的后墙在哪里?
回复 支持 反对

使用道具 举报

7

主题

478

帖子

37

威望

特级会员

Rank: 5Rank: 5Rank: 5Rank: 5Rank: 5

交易诚信度
24
注册时间
2006-3-12
发表于 2007-7-11 10:30 | 显示全部楼层
原帖由 NEC显示器 于 2007-7-11 09:02 发表

请教下汤米兄,电影院里挂的后环绕,在放原始5声道的电影时候出不出声音呢?如果出的话,是用什么算法呢?

屁算法没有,电影院的后环绕都是串连的,人耳对身后的声音定位能力很差的!不要问我为什么,摸摸自己的耳朵形状就明白了.........家庭影院多弄几个环绕喇叭就是搞个热闹而已,对于7.1来说,包饶感的意义远大于定位。
回复 支持 反对

使用道具 举报

6

主题

2509

帖子

41

威望

特级会员

Rank: 5Rank: 5Rank: 5Rank: 5Rank: 5

交易诚信度
10
注册时间
2003-9-12
发表于 2007-7-11 10:33 | 显示全部楼层
原帖由 好死不如赖活着 于 2007-7-11 10:30 发表

屁算法没有,电影院的后环绕都是串连的,人耳对身后的声音定位能力很差的!不要问我为什么,摸摸自己的耳朵形状就明白了.........家庭影院多弄几个环绕喇叭就是搞个热闹而已,对于7.1来说,包饶感的意义远大于 ...

[s:20] [s:20] [s:20]
但愿宝宝平安健康!
回复 支持 反对

使用道具 举报

40

主题

2057

帖子

192

威望

超级会员

Rank: 6Rank: 6Rank: 6Rank: 6Rank: 6Rank: 6

交易诚信度
0
注册时间
2006-9-30
发表于 2007-7-11 12:59 | 显示全部楼层
原帖由 汤米 于 2007-7-10 22:25 发表

兄台你好 我问下 你这样设置的莱思康在听纯HIFI音乐两声道的时候 你的主声道是否也工作在80HZ 而80HZ一下炮也在工作?


汤版,我现在是 2 声道(HiFi) 及 多声道 (AV) 分家的,有兴趣可参阅帖子

http://www.jd-bbs.com/viewthread.php?tid=1234875&extra=page%3D1

[s:89] [s:89] [s:89]

基本器材如下:

2 声道(HiFi) --> Marantz SACD 机 + Mark Levinson CD 机 + Mark Levinson 前级 + Krell 後级 + Avalon 声箱

多声道(AV) --> Marantz DVD 机 + Lexicon 前级 + Parasound 後级 + M&K 声箱

暂时不会用 多声道(AV) 听纯 HiFi 音乐

[s:18] [s:18] [s:18]

原帖由 HiViUser 于 2007-2-1 21:39 发表 - 第 98 楼
解码及数码处理前级
(07) 美國 低频管理器     : M&K Professional LFE5.1SDS Studio Bass Management Controller

此低频管理器是很多外国专业录音室采用,且也是AV发烧友们均推荐使用的!

购入后现还未有时间驳上,稍后会试用作两声道 2.1,用 M&K 声箱听HiFi。



不过我会尝试用 M&K 2.2 听 HiFi 作比較,用以下专业录音室配搭及 M&K 低频管理器:

Mark Levinson No.39 CDP --> M&K LFE5.1SDS Bass Management --> M&K MPS2510P x 2 + M&K MPS5310 + M&K MX-350







比试完,才出听後感受!

[s:89] [s:89] [s:21] [s:21] :victory: :victory:

欢迎交流 ==> 我的影音组合
回复 支持 反对

使用道具 举报

40

主题

2057

帖子

192

威望

超级会员

Rank: 6Rank: 6Rank: 6Rank: 6Rank: 6Rank: 6

交易诚信度
0
注册时间
2006-9-30
发表于 2007-7-11 13:07 | 显示全部楼层
建议楼主,先在家裝时预布线材给 7.1,

可先买 5.1 声箱,

需要才升级、改善至 7.1 啊!

:victory: :victory: [s:21] [s:21] [s:20] [s:20]

欢迎交流 ==> 我的影音组合
回复 支持 反对

使用道具 举报

140

主题

6548

帖子

732

威望

终极会员

Rank: 8Rank: 8Rank: 8Rank: 8Rank: 8Rank: 8Rank: 8Rank: 8

技术专家奖最佳写手奖

交易诚信度
6
注册时间
2001-11-21
发表于 2007-7-11 15:08 | 显示全部楼层
原帖由 <i>怪胎怪才</i> 于 2007-7-9 18:49 发表<br />

<br />

<br />
小超点也忍了 <img src="images/smilies/mad.gif" smilieid="11" border="0" alt="" /> <br />
您就推荐几款吧
<br />
近期较少接触万元级以下的合并机,以您的预算来看,先锋2016比较适合您的要求.

[ 本帖最后由 epos 于 2007-7-11 15:10 编辑 ]
回复 支持 反对

使用道具 举报

140

主题

6548

帖子

732

威望

终极会员

Rank: 8Rank: 8Rank: 8Rank: 8Rank: 8Rank: 8Rank: 8Rank: 8

技术专家奖最佳写手奖

交易诚信度
6
注册时间
2001-11-21
发表于 2007-7-11 15:12 | 显示全部楼层
原帖由 好死不如赖活着 于 2007-7-11 10:30 发表

屁算法没有,电影院的后环绕都是串连的,人耳对身后的声音定位能力很差的!不要问我为什么,摸摸自己的耳朵形状就明白了.........家庭影院多弄几个环绕喇叭就是搞个热闹而已,对于7.1来说,包饶感的意义远大于 ...

大电影院的后环绕之间还是加了延时的[s:97]
回复 支持 反对

使用道具 举报

丹拿声学

您需要登录后才可以回帖 登录 | 注册

本版积分规则

Archiver|手机版|手机版|客服:010-60152166 邮箱:zx@jd-bbs.com QQ:895456697|广告合作|账号注销|家电联盟网

京公网安备 11010602010207号 ( 京ICP证041102号,京ICP备09075138号-9 )

GMT+8, 2026-5-26 17:37 , Processed in 0.134877 second(s), 22 queries , Gzip On.

快速回复 返回顶部 返回列表